Запчасти Case CX55BMSR (01-052[01]) - CONTROLS, OPERATORS (CAB + ANGLE DOZER) (90) - PLATFORM, CAB, BODYWORK AND DECALS

Схема запчастей Case CX55BMSR - (01-052[01]) - CONTROLS, OPERATORS (CAB + ANGLE DOZER) (90) - PLATFORM, CAB, BODYWORK AND DECALS
9
26
1
32
25
5
23
31
3
17
20
27
7
8
14
8
19
2
22
33
13
12
8
11
24
21
7
22
30
8
28
16
10
6
4
27
15
34
18
home
29
8
14
FIT
1:1
100%

Артикул

Название

Примечание

Количество

.

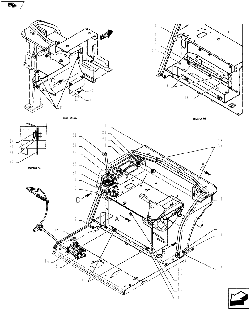
Operators Controls (Cab + Angle Dozer) PY03M00031F1, Start Serial: PS02-00101

1шт.

1

NSS

NOT SOLD SEPARAT

Stand Assembly PY10M01111F1

1шт.

2

NSS

NOT SOLD SEPARAT

Cover Assy PY03M01303F1, Incl 3 - 4

1шт.

3

PY03M01304P1

PLATE

1шт.

4

PY03M01316P1

INSULATION

1шт.

5

PY03M01327P1

COVER

1шт.

6

NSS

NOT SOLD SEPARAT

Pedal Install, PY55M00002F1

1шт.

7

ZM73C08020

BOLT,M8x20mm - Course Thread

Sems

2шт.

8

ZM73C08016

BOLT,M8x16mm - Course Thread

Sems

16шт.

9

EW03E01010P1

GROMMET

1шт.

10

PY03M01286P1

INSULATION

1шт.

11

PY03M01287P1

INSULATION

1шт.

12

NSS

NOT SOLD SEPARAT

Cover Install PY10M01090F1

1шт.

13

PY10M01091P1

COVER

Incl 14

1шт.

14

PY10M01057P1

HINGE

2шт.

15

PH06C01072P2

LOCK

Incl 16 - 17

1шт.

16

YR22C01025P2

LOCK

1шт.

17

PH06C01071P1

COVER

1шт.

18

PY10M01083P1

INSULATION

1шт.

19

PY03M01321P1

HOLDER

1шт.

20

PY50S00004P2

SWITCH

Wiper Washer

1шт.

21

PW17M01018P1

LABEL

Wiper Switch (Wash/Off/On/Wash)

1шт.

22

PY03M01325P1

RUBBER INSULATOR

1шт.

23

YJ02H01013P1

SPACER

2шт.

24

ZS18C08020

SCREW,Hex, M8 x 20mm

Cap

2шт.

25

HY25X10027G1

WASHER,10mm ID x 27mm OD x 3.2mm Thk

2шт.

26

YT02C01567D2

PLATE

1шт.

27

ZM73C10025

BOLT,M10x25mm - Course Thread

Sems

2шт.

28

2420T8007D3

CAPSCREW

2шт.

29

ZW16H08000

WASHER

2шт.

30

PY03M01340P1

LEVER

1шт.

31

PY03M01341P1

PLATE

1шт.

32

PV03M01043P1

HANDLE GRIP

1шт.

33

PY03M01339P1

BOOT

1шт.

34

ZN18C14011

NUT

1шт.

Выбрано товаров: 0