Запчасти Case CX55BMSR (01-069[04]) - GUARD INSTALL (CANOPY) (90) - PLATFORM, CAB, BODYWORK AND DECALS

Схема запчастей Case CX55BMSR - (01-069[04]) - GUARD INSTALL (CANOPY) (90) - PLATFORM, CAB, BODYWORK AND DECALS
27
8
6
2
16
home
25
17
1
22
11
12
3
23
14
20
26
22
24
19
26
4
15
7
9
10
18
13
21
22
5
FIT
1:1
100%

Артикул

Название

Примечание

Количество

.

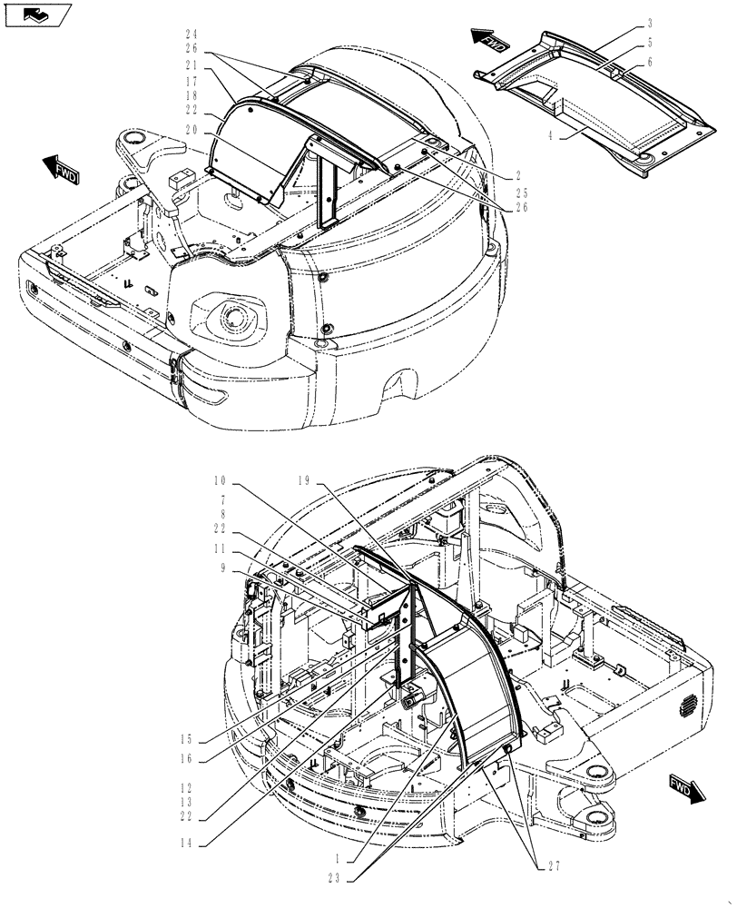
(Canopy) Guard Install PY21C00010F1, Start Serial: PS02-00101

1шт.

1

PY21C01187F1

COVER ASSY

1шт.

2

NSS

NOT SOLD SEPARAT

Cover Assembly PY21C01188F1, Incl 3 - 6

1шт.

3

PY21C01196P1

COVER

1шт.

4

PY21C01304P1

INSULATION

1шт.

5

PY21C01210P1

INSULATION

1шт.

6

PY21C01220P1

INSULATION

1шт.

7

PY21C01214F1

COVER ASSY

Incl 8 - 11

1шт.

8

PY21C01215P1

COVER

1шт.

9

PY21C01217P1

INSULATION

1шт.

10

YR21C01168DR

WEATHERSTRIP

1шт.

11

YJ21C01103D5

WEATHERSTRIP

1шт.

12

PY21C01160F1

COVER ASSY

Incl 13 - 16

1шт.

13

PY21C01162P1

COVER

1шт.

14

PY21C01164P1

INSULATION

1шт.

15

YT21C01159DE

WEATHERSTRIP

Weather

1шт.

16

PM22C01013DA

WEATHERSEAL STRIP

1шт.

17

NSS

NOT SOLD SEPARAT

Cover Assembly PY21C01173F1, Incl 18 - 21

1шт.

18

PY21C01352P1

COVER

1шт.

19

PY21C01221P1

INSULATION

1шт.

20

PY21C01281P1

RUBBER INSULATOR

1шт.

21

PY21C01007DL

WEATHERSTRIP

1шт.

22

ZM73C08020

BOLT,M8x20mm - Course Thread

Sems, Serial Range: PS02-00101-PS02-00111

9шт.

22

ZM73C08020

BOLT,M8x20mm - Course Thread

, Start Serial: PS02-00112

6шт.

22

PA03M01093D2

BOLT

, Start Serial: PS02-00112

3шт.

23

ZM73C10020

BOLT,M10x20mm - Course Thread

Sems

2шт.

24

PA41C01005D1

BOLT

Sems

2шт.

25

PA41C01005D3

BOLT

Sems

2шт.

26

YT21C01187P2

WASHER

4шт.

27

2420R429D9

GROMMET

2шт.

Выбрано товаров: 30