Запчасти Case CX55BMSR (01-065[01]) - ENGINE INSTALL (CANOPY) (10) - ENGINE

Схема запчастей Case CX55BMSR - (01-065[01]) - ENGINE INSTALL (CANOPY) (10) - ENGINE
4
2
1
6
7
2
4
3
5
8
3
1
home
9
1
5
FIT
1:1
100%

Артикул

Название

Примечание

Количество

.

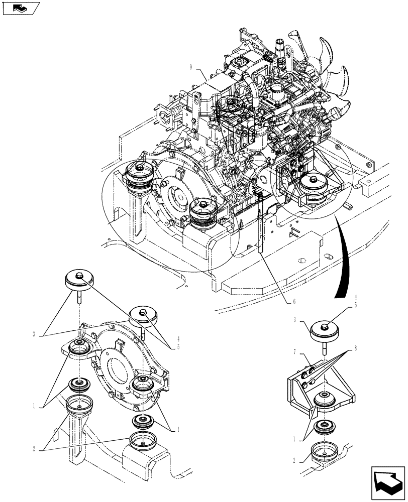
Engine Install (Canopy) PY02P00029F6, Serial Range: PS02-00112-PS02-01458

1шт.

1

PH02P01048D1

RUBBER MOUNTING

8шт.

2

PH02P01060P1

COVER

4шт.

3

PY02P01048P1

COVER

, Serial Range: PS02-01101-PS02-01109

4шт.

3

PY02P01104P1

COVER

, Start Serial: PS02-01110

4шт.

4

ZS18C12120

SCREW,Hex, M12 x 120mm

Cap

4шт.

5

ZW16H12000

WASHER

4шт.

6

PW02P01047D1

HOSE,12mm ID x 250mm L

1шт.

7

PY02P01070P1

BRACKET

1шт.

8

ZM73C10030

BOLT,M10x30mm - Course Thread

Sems

4шт.

9

PY02P00040F1

ENGINE

Assy., Serial Range: PS02-00112-PS02-01458

1шт.

Выбрано товаров: 11