Качественные детали и логистика
Оригинальные и аналоговые запчасти с доставкой по России, Казахстану и Беларуси
©2022 PartSell ООО "Система" ИНН 2463123282 ОГРН 1212400004838
Центральный офис: г. Красноярск, Академика Киренского, д.87, пом.4
Телефон: 8 (800) 777-65-74 Email: zakaz@partsell.ru
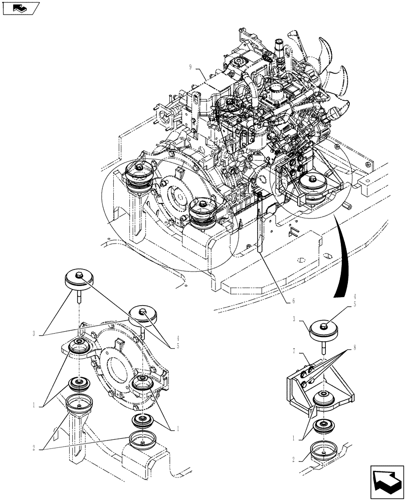
(01-065[03]) - ENGINE INSTALL (CANOPY - TPEM)
№
Артикул
Название
Примечание
Количество
.
Engine Install (Canopy - TPEM) PY02P00029F8, Start Serial: PS02-01459
1шт.
1
PH02P01048D1
RUBBER MOUNTING
8шт.
2
PH02P01060P1
COVER
4шт.
3
PY02P01104P1
4
ZS18C12120
SCREW,Hex, M12 x 120mm
Cap
5
ZW16H12000
WASHER
6
PW02P01047D1
HOSE,12mm ID x 250mm L
7
PY02P01070P1
BRACKET
8
ZM73C10030
BOLT,M10x30mm - Course Thread
Sems
9
PY02P00040F2
ENGINE
Assy., Start Serial: PS02-01459
Выбрано товаров: 0