Запчасти Case CX55BMSR (01-015[02]) - POWER TAKE-OFF ASSY (CANOPY) (35) - HYDRAULIC SYSTEMS

Схема запчастей Case CX55BMSR - (01-015[02]) - POWER TAKE-OFF ASSY (CANOPY) (35) - HYDRAULIC SYSTEMS
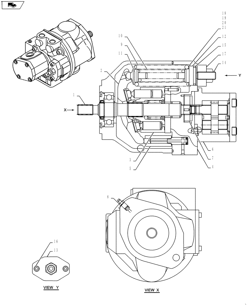
7
1
4
2
13
16
home
10
8
14
19
6
18
5
9
15
21
3
20
11
12
17
FIT
1:1
100%

Артикул

Название

Примечание

Количество

PH10V00013F1

HYDRAULIC PUMP

Assy, (Canopy) Incl 1 - 21, Start Serial: PS02-00101

1шт.

1

YJ10V01001F1

SHAFT ASSY.

1шт.

2

PY10V01002F1

BLOCK ASSY.

1шт.

3

PY10V01005F1

ROTOR ASSY.

Piston

1шт.

4

PH10V01007F1

COVER ASSY

1шт.

5

PH10V01009F1

PISTON ASSY

1шт.

6

PH10V00011F1

PUMP

Gear

1шт.

7

PX10V00015F1

PUMP

Hyd.

1шт.

8

PY10V00007S017

BREATHER

1шт.

9

PY10V01004S006

SPRING

1шт.

10

PH10V01003S005

SPRING

1шт.

11

PY10V01004S001

SPRING SEAT

1шт.

12

PH10V01003S002

SPRING SEAT

1шт.

13

PY10V01004S003

COVER

1шт.

14

PY10V01004S004

ADJUSTMENT SCREW

1шт.

15

ZD11P03400

O-RING

1шт.

16

ZS23C08030

SCREW,Hex Socket Head, M8 x 30mm

Cap

2шт.

17

PY10V01004S009

NUT

1шт.

18

PM10V01005S054

SHIM,0.3mm Thk

2шт.

19

PH10V00013S144

SHIM,0.5mm Thk

(0.5)

2шт.

20

PW10V00001S048

SHIM,1.0mm Thk

2шт.

21

PW10V00001S049

SHIM,2.0mm Thk

2шт.

Выбрано товаров: 0