Запчасти Case CX55BMSR (01-015[04]) - POWER TAKE-OFF ASSY (CANOPY) (35) - HYDRAULIC SYSTEMS

Схема запчастей Case CX55BMSR - (01-015[04]) - POWER TAKE-OFF ASSY (CANOPY) (35) - HYDRAULIC SYSTEMS
4
25
14
2
12
18
19
home
15
9
5
11
1
8
13
20
21
22
24
16
6
7
23
3
17
26
10
12
3
27
FIT
1:1
100%

Артикул

Название

Примечание

Количество

PY30P00005F2

PTO

Asy, PTO (Canopy), Start Serial: PS02-00101

1шт.

PH10V00013F1

HYDRAULIC PUMP

Assy, Incl 1 - 27

1шт.

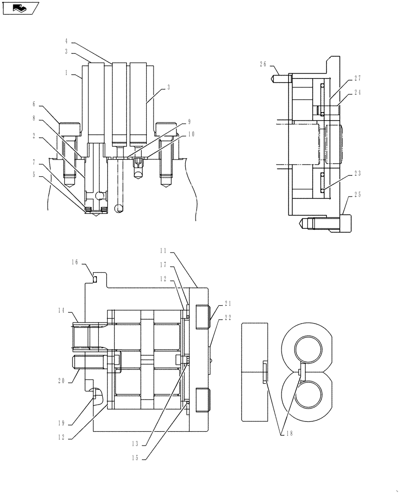
1

PH10V01009S001

CYLINDER

1шт.

2

PY10V01008S002

PISTON

1шт.

3

PY10V01006S003

PIN

2шт.

4

PH10V01009S004

PIN

1шт.

5

PY10V01006S005

SPRING SEAT

1шт.

6

ZS23C08025

SCREW,Hex Socket Head, M8 x 25mm

Cap

2шт.

7

PW10V00001S056

VALVE SPRING

3шт.

8

2436U1852S105

O-RING

1шт.

9

PY10V01006S009

O-RING

1шт.

10

PH10V01004S009

O-RING

1шт.

11

PM10V00014S004

COVER

1шт.

12

PX10V00014S010

PLATE

3шт.

13

2441U466S48

GUIDE

2шт.

14

YJ10V00007S012

COUPLING

1шт.

15

2441U661S13

O-RING

2шт.

16

ZD11G09000

O-RING,89.40mm ID x 95.60mm OD x 3.10mm

1шт.

17

2441U661S11

RING

1шт.

18

2437U392S16

RING

2шт.

19

ZD12P00600

O-RING

1шт.

20

ZS23C10025

SCREW,Hex Socket Head, M10 x 25mm

Cap

2шт.

21

ZS23C10020

SCREW,Hex Socket Head, M10 x 20mm

Cap

4шт.

22

PX10V00014S030

IDENTITY PLATE

1шт.

23

PX10V00015S004

O-RING

1шт.

24

LE10V01001S039

PIN

Spring

1шт.

25

PH10V00007S006

CAPSCREW

3шт.

26

ZP26D03008

PIN

Spring

1шт.

27

PM10V00015S009

PLATE

1шт.

Выбрано товаров: 0