Качественные детали и логистика
Оригинальные и аналоговые запчасти с доставкой по России, Казахстану и Беларуси
©2022 PartSell ООО "Система" ИНН 2463123282 ОГРН 1212400004838
Центральный офис: г. Красноярск, Академика Киренского, д.87, пом.4
Телефон: 8 (800) 777-65-74 Email: zakaz@partsell.ru
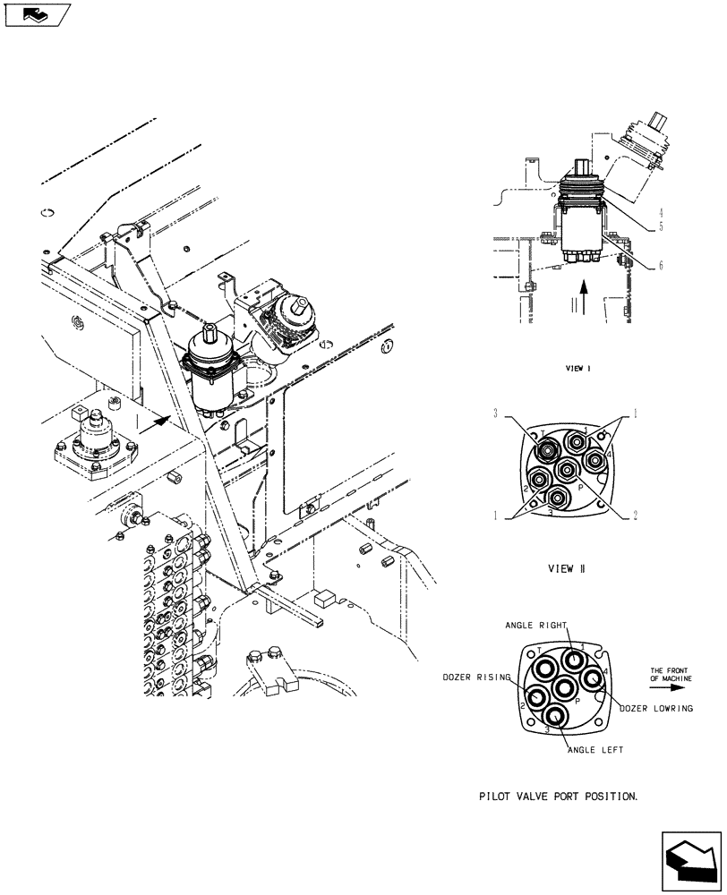
(01-022[01]) - VALVE INSTALL (ANGLE DOZER)
№
Артикул
Название
Примечание
Количество
.
Valve Install (Angle Dozer) PY64H00101F1, Start Serial: PS02-00101
1шт.
1
HH25S04004G1
HYD CONNECTOR
4шт.
2
HH25S04004G3
3
HH25S06004G3
4
ZS28C06030
SCREW,Hex Socket Head, M6 x 30mm
5
ZW16X06000
WASHER
6
PY30V00066F1
PILOT VALVE
Выбрано товаров: 0