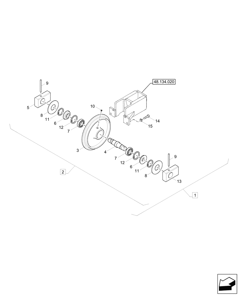
Запчасти Case CX17C (48.134.010) - VAR - 9552700 - IDLER WHEEL, COMPONENTS (48) - TRACKS & TRACK SUSPENSION

Схема запчастей Case CX17C - (48.134.010) - VAR - 9552700 - IDLER WHEEL, COMPONENTS (48) - TRACKS & TRACK SUSPENSION
48.134.020
13
9
12
15
1
6
8
14
3
11
7
8
5
2
7
6
11
9
10
12
4
FIT
1:1
100%

Артикул

Название

Примечание

Количество

1

8LMJ-15022CG

ADJUSTER

Gray, RH, ASSY, Incl 2

1шт.

1

8LMJ-15032CG

ADJUSTER

Gray, LH, ASSY, Incl 2

1шт.

2

8LMJ-13030CG

IDLER

ASSY, Incl 3 - 13

2шт.

3

NSS

NOT SOLD SEPARAT

Shell, Incl in 2

1шт.

4

81MJ-13311

SHAFT

1шт.

5

81MJ-13331

COLLAR

LH

1шт.

6

81MJ-13340

SEAL

2шт.

7

81MJ-13320

BALL BEARING

2шт.

8

81MJ-13420

PLATE

2шт.

9

81MJ-13380

PIN

2шт.

10

81MJ-13390

PLUG

1шт.

11

81MJ-13400

SNAP RING

2шт.

12

81MJ-13410

SNAP RING

2шт.

13

81MJ-13350

COLLAR

RH

1шт.

14

S109-080256

BOLT

2шт.

15

S411-080006

WASHER

2шт.

Выбрано товаров: 16