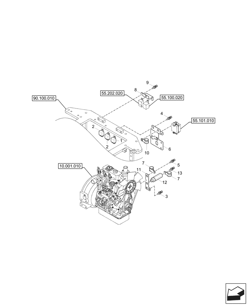
Запчасти Case CX17C (55.100.010) - FUSE BOX, RELAY (55) - ELECTRICAL SYSTEMS

Схема запчастей Case CX17C - (55.100.010) - FUSE BOX, RELAY (55) - ELECTRICAL SYSTEMS
90.100.010
9
6
2
7
2
5
8
12
3
1
13
11
7
4
10.001.010
10
55.202.020
55.100.020
55.101.010
FIT
1:1
100%

Артикул

Название

Примечание

Количество

1

22FV-12110

RELAY

12V

1шт.

2

21U6-00110

RELAY

Power

2шт.

3

S035-081526

BOLT,M8 x 1.25 x 15mm

1шт.

4

S035-063046

BOLT,M6 x 1 x 30mm

2шт.

5

S037-102026

BOLT,M10 x 1.5 x 20mm

1шт.

6

21MJ-00407CG

PLATE

Fuse Box

1шт.

7

31L7-10210

CLAMP

2шт.

8

21QB-45113CG

BRACKET

Relay Heater

1шт.

9

S037-062026

BOLT

1шт.

10

31L7-10230

CLAMP

1шт.

11

21MJ-35600CG

BRACKET

1шт.

12

21M9-31771

ADAPTER

1шт.

13

S037-101526

BOLT,M10 x 1.5 x 15mm

1шт.

Выбрано товаров: 0