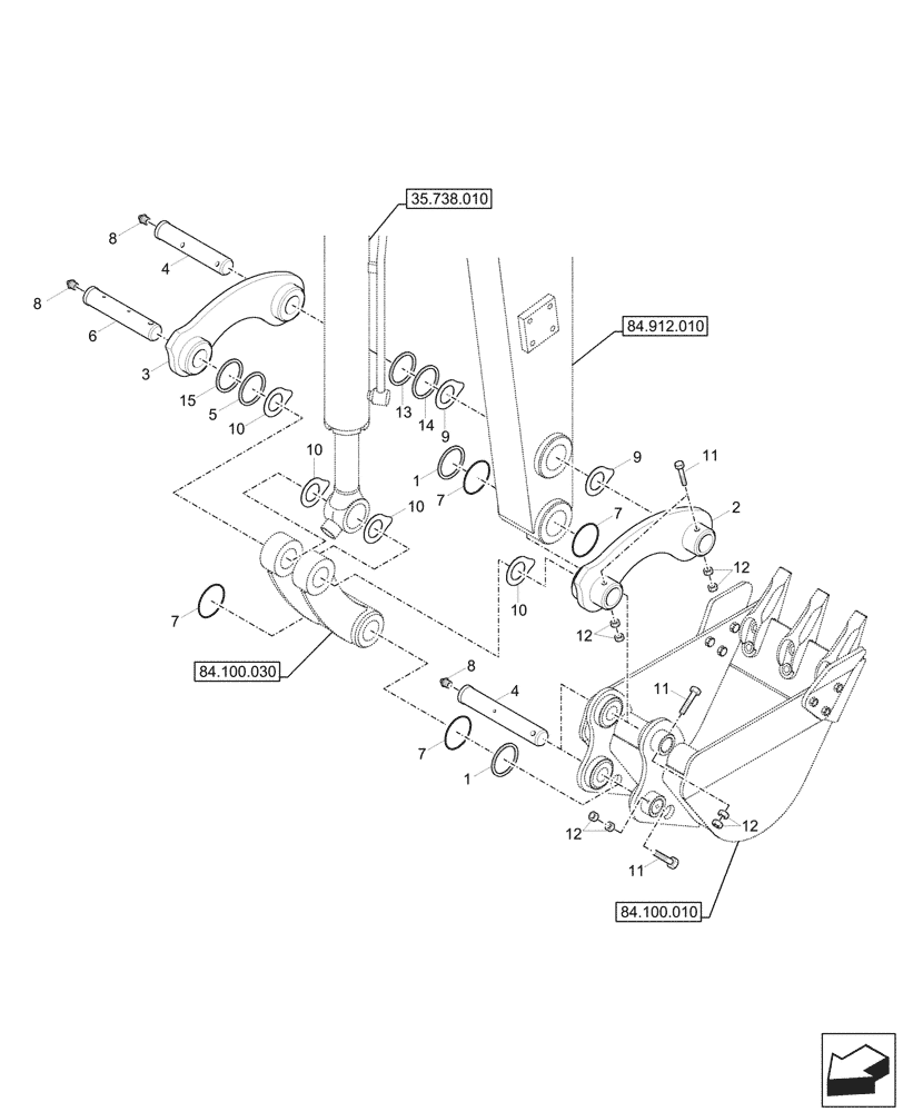
Запчасти Case CX17C (84.100.020) - VAR - 747063 - BUCKET, LINK (84) - BOOMS, DIPPERS & BUCKETS

Схема запчастей Case CX17C - (84.100.020) - VAR - 747063 - BUCKET, LINK (84) - BOOMS, DIPPERS & BUCKETS
35.738.010
12
10
12
4
1
13
9
7
10
3
4
12
14
9
84.100.010
11
5
6
7
12
7
2
15
8
8
10
8
10
11
1
11
7
84.100.030
84.912.010
FIT
1:1
100%

Артикул

Название

Примечание

Количество

1

S390-030060A

SHIM

2шт.

2

62MJ-40120CG

LINK

LH

1шт.

3

62MJ-40130CG

LINK

RH

1шт.

4

61MJ-01500

PIN

3шт.

5

S993-030060

SHIM

1шт.

6

61MJ-02511

PIN

1шт.

7

61MJ-30500

O-RING

4шт.

8

S651-810002

NIPPLE

4шт.

9

S991-030070

SHIM

2шт.

10

S991-030060

SHIM

4шт.

11

S017-100656

BOLT

4шт.

12

S205-10100B

NUT

8шт.

13

S992-030070

SHIM

1шт.

14

S993-030070

SHIM

1шт.

15

S992-030060

SHIM

1шт.

Выбрано товаров: 15