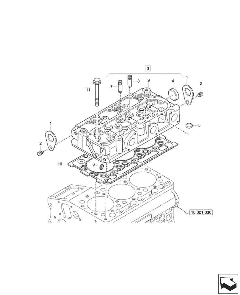
Запчасти Case CX17C (10.101.010) - ENGINE, CYLINDER HEAD (10) - ENGINE

Схема запчастей Case CX17C - (10.101.010) - ENGINE, CYLINDER HEAD (10) - ENGINE
10.001.030
6
1
4
2
1
11
5
10
7
8
2
9
3
FIT
1:1
100%

Артикул

Название

Примечание

Количество

1

XJBR-00882

HOOK

2шт.

2

XJBT-00031

BOLT

2шт.

3

XJBR-02301

CYLINDER HEAD

ASSY, Incl 4 - 9

1шт.

4

XJBR-01195

CAP

1шт.

5

XJBT-00969

CAP

2шт.

6

XJBR-00887

PLUG

1шт.

7

XJBT-01114

GUIDE

Inlet Valve

3шт.

8

XJBR-02302

GUIDE

Exhaust Valve

3шт.

9

NSS

NOT SOLD SEPARAT

Cylinder Head, Incl in 3

1шт.

10

XJBR-02108

GASKET

1шт.

11

XJBT-00904

BOLT

14шт.

Выбрано товаров: 0