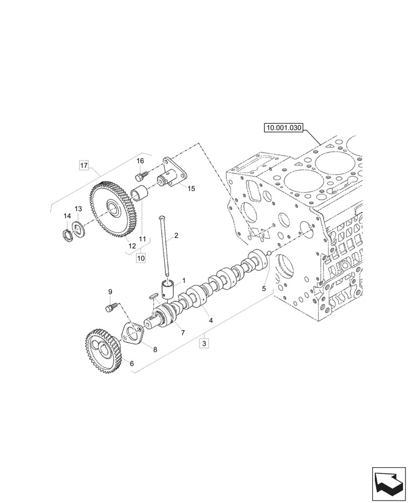
Запчасти Case CX17C (10.106.010) - CAMSHAFT, IDLER GEAR (10) - ENGINE

Схема запчастей Case CX17C - (10.106.010) - CAMSHAFT, IDLER GEAR (10) - ENGINE
10.001.030
17
2
12
16
15
4
8
14
5
11
1
10
13
6
9
3
7
FIT
1:1
100%

Артикул

Название

Примечание

Количество

1

XJBT-01577

TAPPET

6шт.

2

XJBT-01576

PUSH ROD

6шт.

3

XJBR-02313

CAMSHAFT

ASSY, Incl 4 - 8

1шт.

4

NSS

NOT SOLD SEPARAT

Shaft, Incl in 3

1шт.

5

XJBR-00668

BALL

1шт.

6

XJBR-02314

GEAR

1шт.

7

XJBT-00854

LOCK KEY

1шт.

8

XJBT-01117

PLUG

1шт.

9

XJBR-01890

BOLT

2шт.

10

XJBR-02315

GEAR

ASSY, Incl 11, 12

1шт.

11

XJBT-02943

BUSHING

1шт.

12

NSS

NOT SOLD SEPARAT

Gear, Incl in 10

1шт.

13

XJBT-01240

COLLAR

1шт.

14

XJBT-01239

RING

1шт.

15

XJBT-01237

SHAFT

1шт.

16

XJBR-01355

BOLT

3шт.

17

XJBR-02317

GEAR

ASSY, Incl 10 - 16

1шт.

Выбрано товаров: 17