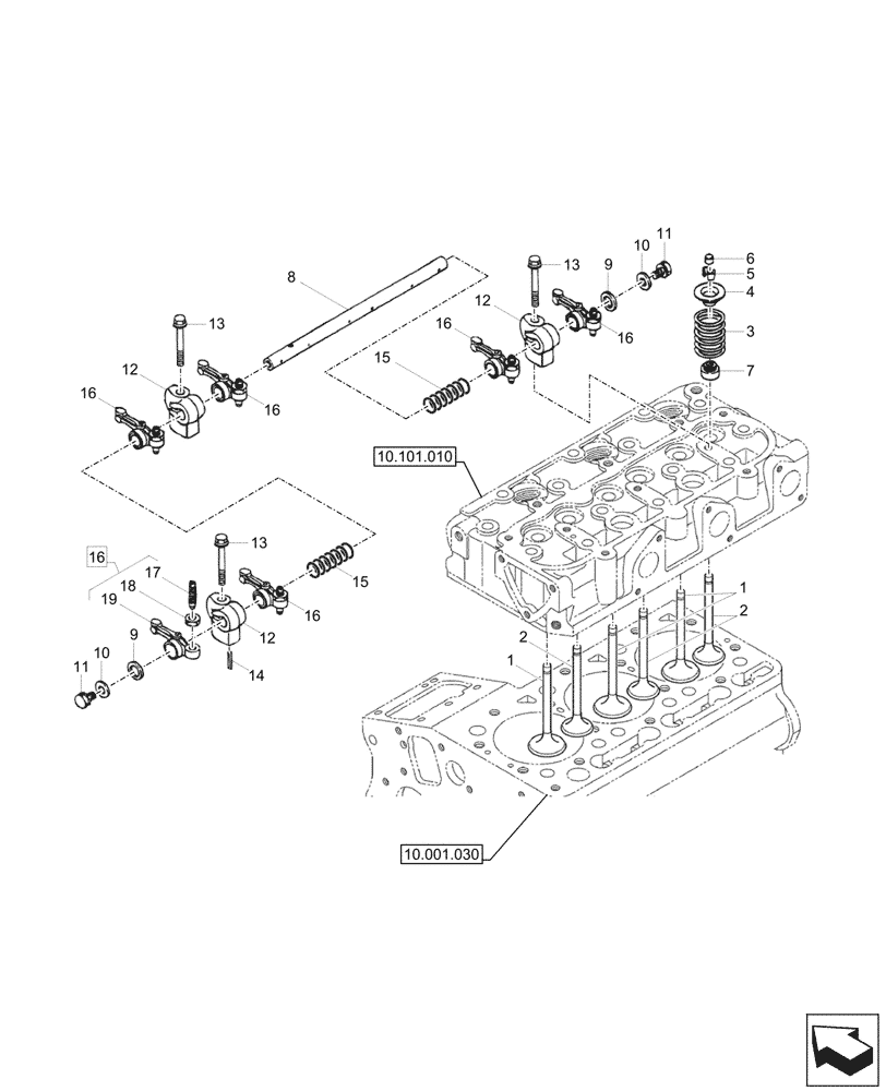
Запчасти Case CX17C (10.106.030) - ENGINE, ROCKER ARM, VALVE (10) - ENGINE

Схема запчастей Case CX17C - (10.106.030) - ENGINE, ROCKER ARM, VALVE (10) - ENGINE
10.001.030
8
9
11
16
10
16
2
1
2
12
14
13
6
4
3
10
11
7
12
16
13
9
15
1
5
16
18
17
19
10.101.010
16
12
13
16
15
FIT
1:1
100%

Артикул

Название

Примечание

Количество

1

XJBR-02074

VALVE

Inlet

3шт.

2

XJBR-02075

VALVE

Exhaust

3шт.

3

XJBR-02076

SPRING

6шт.

4

XJBR-02077

SPRING

6шт.

5

XJBR-02078

COLLET

6шт.

6

XJBR-02079

CAP

6шт.

7

XJBR-02080

SEAL

6шт.

8

XJBR-02081

SHAFT

Rocker Arm

1шт.

9

XJBR-02082

WASHER

2шт.

10

XJBR-02083

WASHER

2шт.

11

XJBR-02084

BOLT

2шт.

12

XJBR-02085

BRACKET

3шт.

13

XJBR-02086

BOLT

3шт.

14

XJBR-00662

PIN

1шт.

15

XJBR-02087

SPRING

2шт.

16

XJBR-02088

ROCKER ARM

ASSY, Incl 17 - 19

6шт.

17

XJBR-02089

SCREW

6шт.

18

XJBR-02090

NUT

6шт.

19

NSS

NOT SOLD SEPARAT

Arm, Incl in 16

6шт.

Выбрано товаров: 19