Качественные детали и логистика
Оригинальные и аналоговые запчасти с доставкой по России, Казахстану и Беларуси
©2022 PartSell ООО "Система" ИНН 2463123282 ОГРН 1212400004838
Центральный офис: г. Красноярск, Академика Киренского, д.87, пом.4
Телефон: 8 (800) 777-65-74 Email: zakaz@partsell.ru
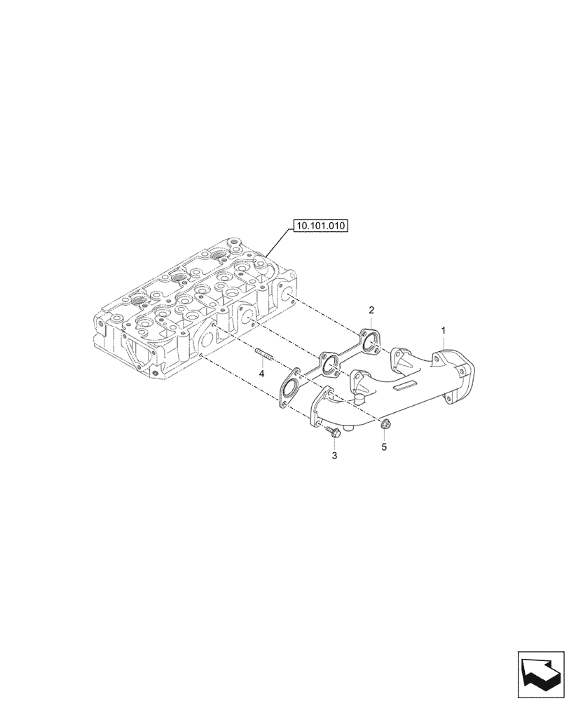
(10.254.010) - EXHAUST MANIFOLD
№
Артикул
Название
Примечание
Количество
1
XJBR-02288
EXHAUST MANIFOLD
1шт.
2
XJBR-02096
GASKET
3
XJBR-02097
BOLT
3шт.
4
XJBR-02098
5
XJBR-02099
BUTTON
Выбрано товаров: 0