Запчасти Case CX17C (10.400.050) - THERMOSTAT & HOUSING (10) - ENGINE

Схема запчастей Case CX17C - (10.400.050) - THERMOSTAT & HOUSING (10) - ENGINE
10.102.020
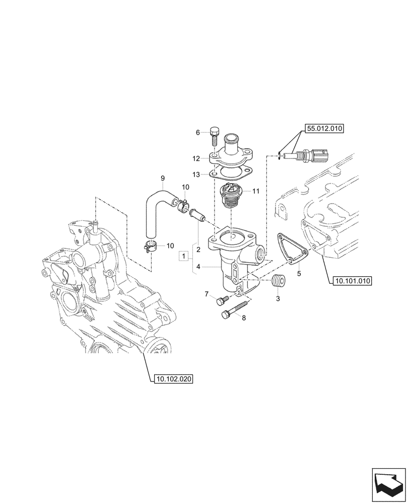
7
1
3
8
10
12
5
2
11
10
4
13
6
9
55.012.010
10.101.010
FIT
1:1
100%

Артикул

Название

Примечание

Количество

1

XJBR-02273

FLANGE

ASSY, Incl 2 - 4

1шт.

2

XJBR-02051

PIPE

Return

1шт.

3

XJBR-02274

PLUG

1шт.

4

NSS

NOT SOLD SEPARAT

Body, Incl in 1

1шт.

5

XJBR-02053

GASKET

1шт.

6

XJBR-00621

BOLT

2шт.

7

XJBR-00612

BOLT

2шт.

8

XJBR-02055

BOLT

1шт.

9

XJBR-02056

PIPE

Return

1шт.

10

XJBR-02057

CLAMP

2шт.

11

XJBR-02058

THERMOSTAT

1шт.

12

XJBR-02059

COVER

1шт.

13

XJBR-01157

GASKET

1шт.

Выбрано товаров: 13