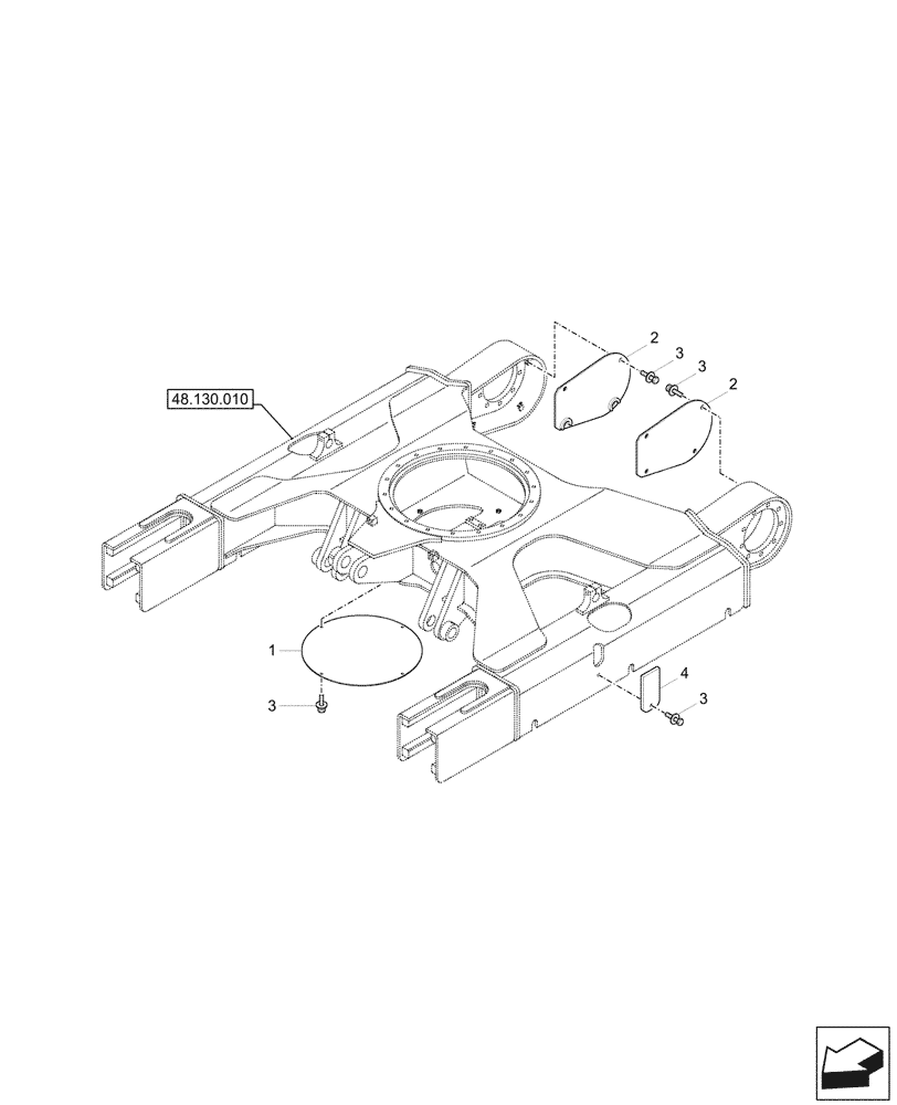
Запчасти Case CX26C (48.130.020) - FRAME, LOWER, COVERS (48) - TRACKS & TRACK SUSPENSION

Схема запчастей Case CX26C - (48.130.020) - FRAME, LOWER, COVERS (48) - TRACKS & TRACK SUSPENSION
48.130.010
3
1
3
4
2
3
2
3
FIT
1:1
100%

Артикул

Название

Примечание

Количество

1

55MK-01420CG

COVER

1шт.

2

51MK-11011CG

COVER

2шт.

3

S037-102556

BOLT

14шт.

4

51MK-11021CG

COVER

2шт.

Выбрано товаров: 0