Качественные детали и логистика
Оригинальные и аналоговые запчасти с доставкой по России, Казахстану и Беларуси
©2022 PartSell ООО "Система" ИНН 2463123282 ОГРН 1212400004838
Центральный офис: г. Красноярск, Академика Киренского, д.87, пом.4
Телефон: 8 (800) 777-65-74 Email: zakaz@partsell.ru
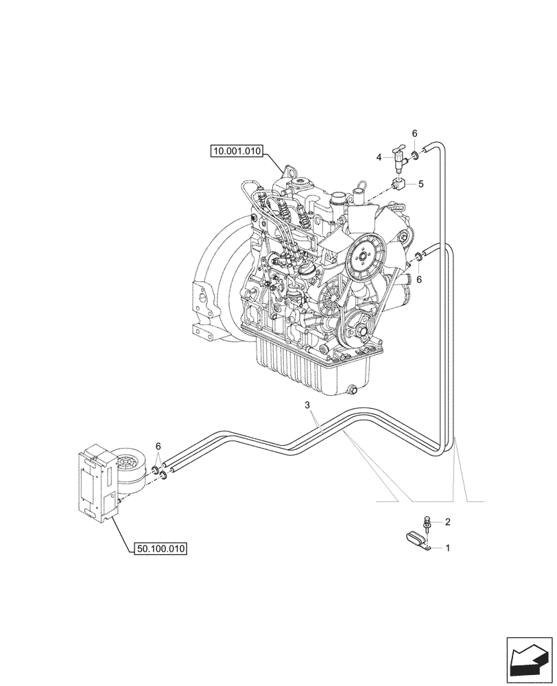
(50.100.020) - VAR - 747988 - HEATER HOSE - CAB
№
Артикул
Название
Примечание
Количество
1
31L7-10230
CLAMP
3шт.
2
S037-101526
BOLT,M10 x 1.5 x 15mm
3
14MK-90200
HOSE
2шт.
4
E127-3136
VALVE
Cut Off Valve
1шт.
5
14MK-90210
BLOCK
6
31MH-10850
4шт.
Выбрано товаров: 0