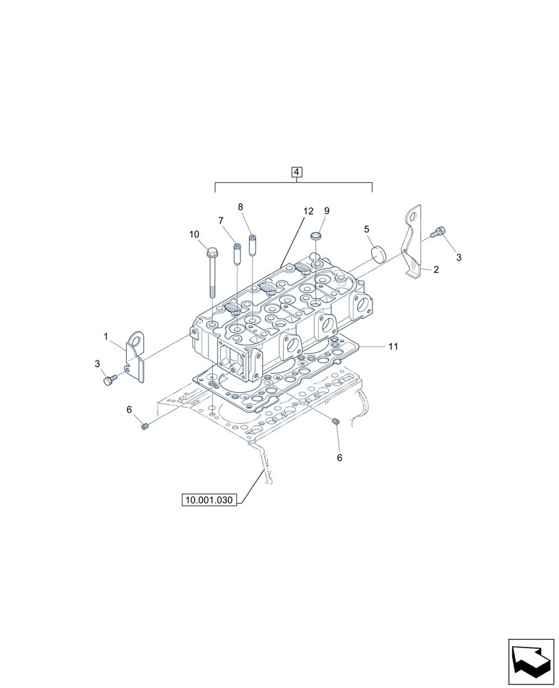
Запчасти Case CX26C (10.101.010) - ENGINE, CYLINDER HEAD (10) - ENGINE

Схема запчастей Case CX26C - (10.101.010) - ENGINE, CYLINDER HEAD (10) - ENGINE
10.001.030
7
8
9
4
12
3
6
11
6
10
1
2
3
5
FIT
1:1
100%

Артикул

Название

Примечание

Количество

1

XJBR-02343

HOOK

1шт.

2

XJBR-02344

HOOK

1шт.

3

XKDL-00221

BOLT

2шт.

4

XJBR-02345

CYLINDER HEAD

ASSY, Incl 5 - 9, 12

1шт.

5

XJBR-02346

CAP

1шт.

6

XJBR-00697

PLUG

2шт.

7

XJBR-00558

GUIDE

3шт.

8

XJBR-02347

GUIDE

3шт.

9

XJBR-00177

CAP

2шт.

10

XJBR-02624

BOLT

14шт.

11

XJBR-02349

GASKET

1шт.

12

NSS

NOT SOLD SEPARAT

Cylinder head, Incl in 4

1шт.

Выбрано товаров: 12