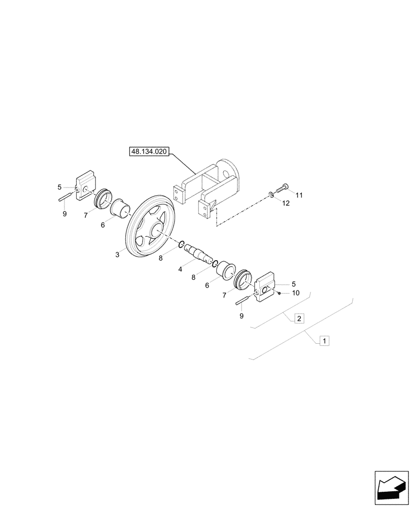
Запчасти Case CX26C (48.134.010) - VAR - 9552700 - IDLER WHEEL, COMPONENTS (48) - TRACKS & TRACK SUSPENSION

Схема запчастей Case CX26C - (48.134.010) - VAR - 9552700 - IDLER WHEEL, COMPONENTS (48) - TRACKS & TRACK SUSPENSION
48.134.020
9
11
12
8
6
5
8
5
10
6
9
7
7
2
4
3
1
FIT
1:1
100%

Артикул

Название

Примечание

Количество

1

8LMK-15034CG

IDLER

ASSY, Incl 2 - 10

2шт.

2

8LMK-13031CG

IDLER

ASSY, Incl 3 - 10

1шт.

3

NSS

NOT SOLD SEPARAT

Idler Wheel, Incl in 2

1шт.

4

81MK-13310

SHAFT

1шт.

5

81MK-13331

COLLAR

2шт.

6

81MK-13320

BUSHING

2шт.

7

81MK-13340

SEAL

2шт.

8

81MK-13370

O-RING

2шт.

9

81MK-13380

PIN

2шт.

10

81MJ-13390

PLUG

1шт.

11

S017-080256

BOLT

4шт.

12

S411-080006

WASHER

4шт.

Выбрано товаров: 12