Запчасти Case CX26C (55.101.010) - UPPER, FRAME, WIRE HARNESS (55) - ELECTRICAL SYSTEMS

Схема запчастей Case CX26C - (55.101.010) - UPPER, FRAME, WIRE HARNESS (55) - ELECTRICAL SYSTEMS
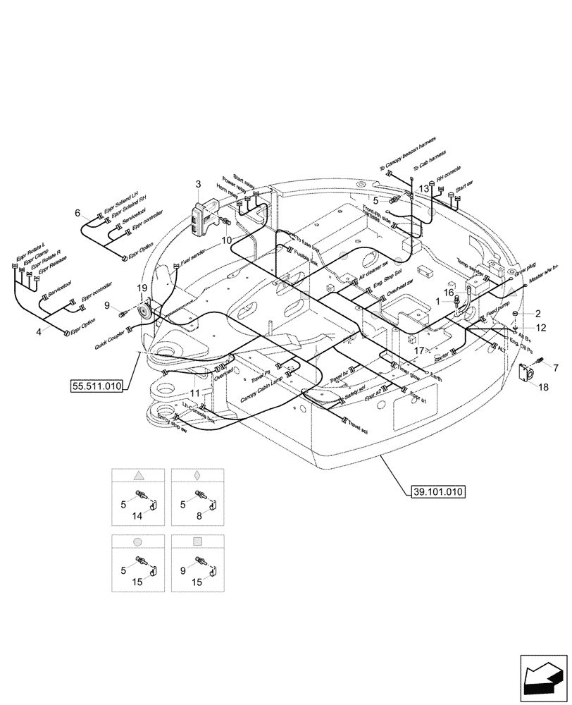
39.101.010
55.511.010
11
15
9
5
17
4
9
7
18
5
3
12
5
14
5
13
15
19
2
1
6
16
10
8
FIT
1:1
100%

Артикул

Название

Примечание

Количество

1

S037-102022

BOLT,M10 x 1.5 x 20mm

1шт.

2

S205-06100B

NUT,M8 x 1mm

1шт.

3

21Q9-90030

CONTROLLER

1шт.

With Hammer Joystick, Without Flow Circuit, Var. 405023, 405043

1шт.

3

21Q9-90060

CONTROLLER

1шт.

With Hammer Joystick and Flow Circuit, Var. 405024, 405044

1шт.

4

21MJ-00740

WIRE HARNESS

EPPR 4 Way

1шт.

With Hammer Joystick and Flow Circuit, Var. 405024, 405044

1шт.

5

S037-102026

BOLT,M10 x 1.5 x 20mm

2шт.

6

21MJ-00720

WIRE HARNESS

EPPR 2 Way

1шт.

With Hammer Joystick, Without Flow Circuit, Var. 405023, 405043

1шт.

7

S035-061626

BOLT,M6 x 1 x 16mm

2шт.

8

31L7-10190

CLAMP,15mm ID

2шт.

9

S035-081526

BOLT,M8 x 1.25 x 15mm

2шт.

10

S035-066526

BOLT,M6 x 1 x 65m

2шт.

With Hammer Joystick, Var. 405023, 405024, 405043, 405044

1шт.

11

21MK-11150

WIRE HARNESS

Overload

1шт.

Object Handling, Var. 747060

1шт.

12

S411-060006

WASHER,6mm ID

1шт.

13

S593-001302

CLIP

5шт.

14

21E9-00170

CLIP

2шт.

15

31L7-10200

CLAMP,25mm ID

6шт.

16

24L1-30720

GROUND STRAP

Earth

1шт.

17

21MK-20153

WIRE HARNESS

Main

1шт.

18

21FD-30312

BUZZER

Back

1шт.

Travel Alarm, Var. 747453

1шт.

19

21M9-00080

HORN

1шт.

Выбрано товаров: 27