Качественные детали и логистика
Оригинальные и аналоговые запчасти с доставкой по России, Казахстану и Беларуси
©2022 PartSell ООО "Система" ИНН 2463123282 ОГРН 1212400004838
Центральный офис: г. Красноярск, Академика Киренского, д.87, пом.4
Телефон: 8 (800) 777-65-74 Email: zakaz@partsell.ru
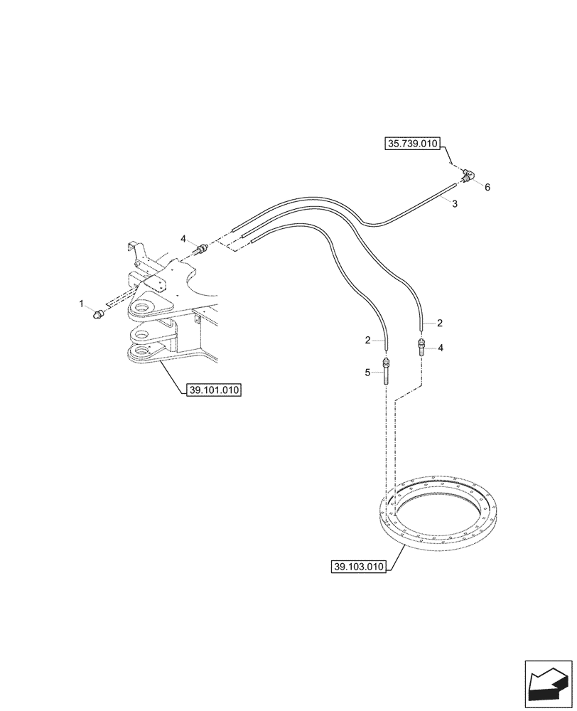
(71.460.010) - LUBRICATION LINE
№
Артикул
Название
Примечание
Количество
1
S651-810002
NIPPLE
3шт.
2
81MH-00120
TUBE
2шт.
3
81MH-00130
1шт.
4
81M6-00010
HYD CONNECTOR
4шт.
5
81M6-00030
Long
6
81M6-00020
45 ELBOW
Выбрано товаров: 0