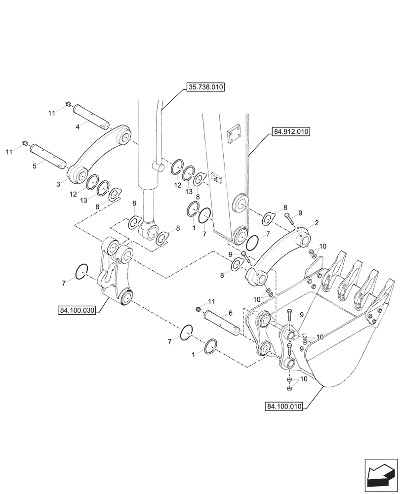
Запчасти Case CX26C (84.100.020) - VAR - 747060, 747061, 747062, 747063 - BUCKET, LINK CONROD (84) - BOOMS, DIPPERS & BUCKETS

Схема запчастей Case CX26C - (84.100.020) - VAR - 747060, 747061, 747062, 747063 - BUCKET, LINK CONROD (84) - BOOMS, DIPPERS & BUCKETS
84.100.030
11
9
9
9
12
8
12
84.100.010
5
11
1
7
9
7
11
10
3
2
7
8
8
10
8
35.738.010
1
10
8
8
6
13
10
13
4
7
84.912.010
FIT
1:1
100%

Артикул

Название

Примечание

Количество

1

S390-035060A

SHIM

0,5mm Thk

2шт.

2

61MK-40022CG

LINK

LH

1шт.

3

61MK-40031CG

LINK

RH

1шт.

4

61MK-01500

PIN

1шт.

5

61MK-01510

PIN

1шт.

6

61MK-01521

PIN

2шт.

7

61MK-30500

O-RING

4шт.

8

S991-035075

SHIM

9шт.

9

S017-100756

HEX SOC SCREW

4шт.

10

S205-10100B

NUT

8шт.

11

S651-810002

NIPPLE

4шт.

12

S992-035075

SHIM

2шт.

13

S993-035075

SHIM

2шт.

Выбрано товаров: 0