Запчасти Case CX26C (10.103.010) - CRANKSHAFT (10) - ENGINE

Схема запчастей Case CX26C - (10.103.010) - CRANKSHAFT (10) - ENGINE
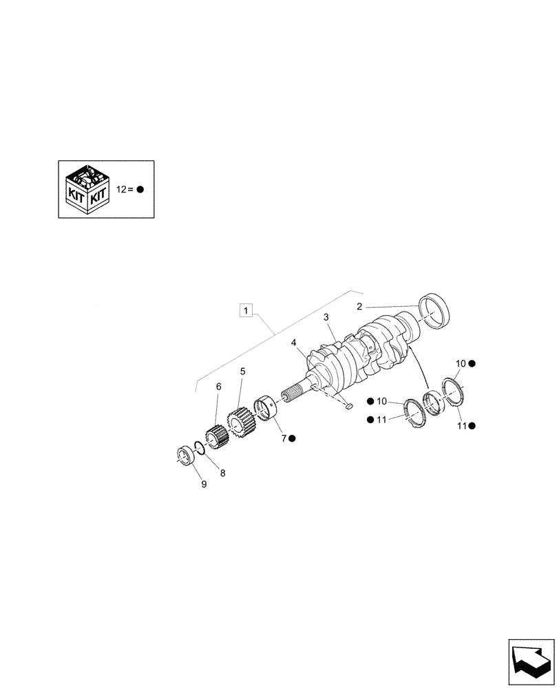
4
11
10
5
12
12
1
12
12
6
9
10
7
12
8
11
2
3
12
12
FIT
1:1
100%

Артикул

Название

Примечание

Количество

1

XJBR-02413

CRANKSHAFT

ASSY, Incl 2 - 6

1шт.

2

XJBR-02414

SLEEVE

1шт.

3

NSS

NOT SOLD SEPARAT

Crankshaft, Incl in 1

1шт.

4

XJBR-02416

KEY

1шт.

5

XJBR-02415

GEAR

1шт.

6

XJBR-02417

GEAR

Oil Pump Drive

1шт.

7

XJBR-02419

CRANKSHAFT BEARING

Bearing, STD Set

1шт.

7

XJBR-02420

CRANKSHAFT BEARING

Bearing, -0.2mm Set

1шт.

7

XJBR-02421

CRANKSHAFT BEARING

Bearing, -0.4mm Set

1шт.

8

XJBT-00834

O-RING

1шт.

9

NSS

NOT SOLD SEPARAT

Seal

1шт.

10

XJBR-02422

SPACER

Spacer, STD Set

2шт.

10

XJBR-02423

SPACER

Spacer, +0.2mm Set

2шт.

10

XJBR-02424

SPACER

Spacer, +0.4mm Set

2шт.

11

XJBR-02425

SPACER

Spacer, STD Set

2шт.

11

XJBR-02426

SPACER

Spacer, +0.2mm Set

2шт.

11

XJBR-02427

SPACER

Spacer, +0.4mm Set

2шт.

12

XJBR-02626

BEARING SET

Bearing, STD Set, ASSY, Incl 7, 10, 11

1шт.

See Also Figure 10.103.020, 10.105.010

1шт.

12

XJBR-02431

BEARING SET

Bearing, ±0.2mm Set, ASSY, Incl 7, 10, 11

1шт.

See Also Figure 10.103.020, 10.105.010

1шт.

12

XJBR-02432

BEARING SET

Bearing, ±0.4mm Set, ASSY, Incl 7, 10, 11

1шт.

See Also Figure 10.103.020, 10.105.010

1шт.

Выбрано товаров: 0