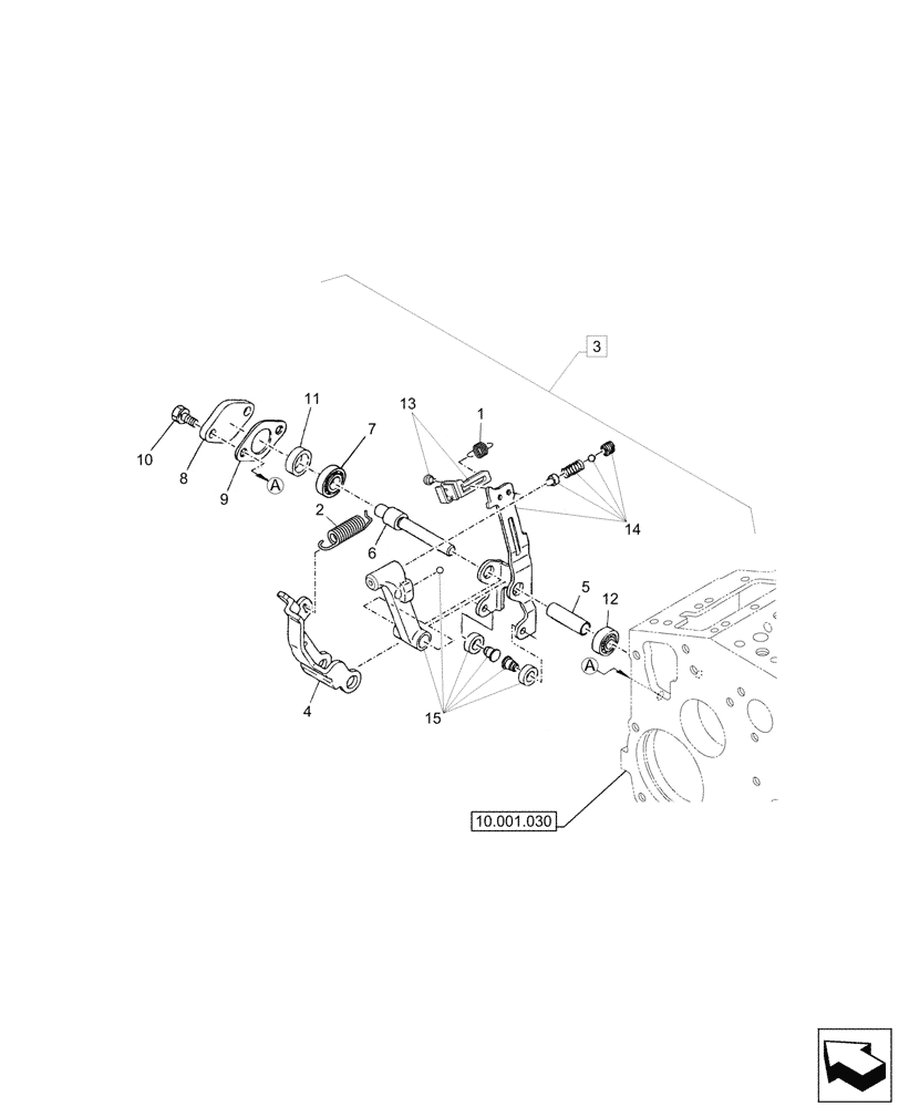
Запчасти Case CX26C (10.220.030) - SPEED GOVERNOR, LEVER (10) - ENGINE

Схема запчастей Case CX26C - (10.220.030) - SPEED GOVERNOR, LEVER (10) - ENGINE
10.001.030
5
8
10
7
9
2
11
15
3
13
12
14
1
4
6
FIT
1:1
100%

Артикул

Название

Примечание

Количество

1

XJBR-02479

SPRING

1шт.

2

XJBR-02480

SPRING

1шт.

3

XJBR-02481

LEVER

ASSY, Incl 4 - 7, 13 - 15

1шт.

4

XJBR-02482

LEVER

1шт.

5

XJBR-02483

SHAFT

1шт.

6

XJBR-02484

SHAFT

1шт.

7

XJBR-02485

BEARING ASSY

1шт.

8

XJBR-02486

COVER

1шт.

9

XJBR-02487

GASKET

1шт.

10

XJBR-01890

BOLT

2шт.

11

XJBR-02488

COLLAR

1шт.

12

XJBR-02489

BEARING ASSY

1шт.

13

NSS

NOT SOLD SEPARAT

Connecting plate, Incl in 3

1шт.

14

NSS

NOT SOLD SEPARAT

Adjuster, Incl in 3

1шт.

15

NSS

NOT SOLD SEPARAT

Lever, Incl in 3

1шт.

Выбрано товаров: 15