Запчасти Case CX26C (10.400.040) - WATER PUMP, COMPONENTS (10) - ENGINE

Схема запчастей Case CX26C - (10.400.040) - WATER PUMP, COMPONENTS (10) - ENGINE
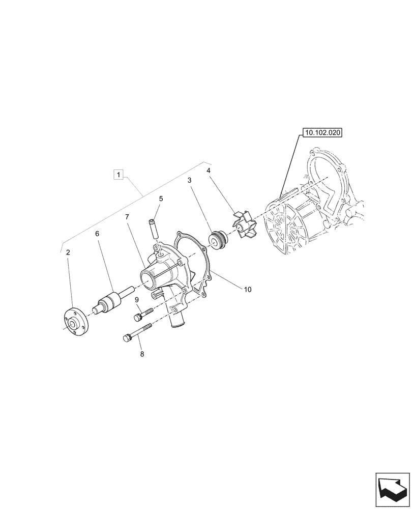
10.102.020
6
7
8
1
10
4
5
9
3
2
FIT
1:1
100%

Артикул

Название

Примечание

Количество

1

XJBR-02571

PUMP

Water, ASSY, Incl 2 - 7

1шт.

2

XJBR-02572

FLANGE

1шт.

3

1G642-73050

SEAL

1шт.

4

XJBR-02573

IMPELLER

Impeller

1шт.

5

XJBR-02574

PIPE

Return

1шт.

6

NSS

NOT SOLD SEPARAT

Shaft, Incl in 1

1шт.

7

NSS

NOT SOLD SEPARAT

Body, Incl in 1

1шт.

8

XJBR-02360

BOLT

6шт.

9

XJBT-00771

BOLT

4шт.

10

XJBR-02575

GASKET

1шт.

Выбрано товаров: 10