Запчасти Case CX33C (48.130.020) - FRAME, LOWER, COVERS (48) - TRACKS & TRACK SUSPENSION

Схема запчастей Case CX33C - (48.130.020) - FRAME, LOWER, COVERS (48) - TRACKS & TRACK SUSPENSION
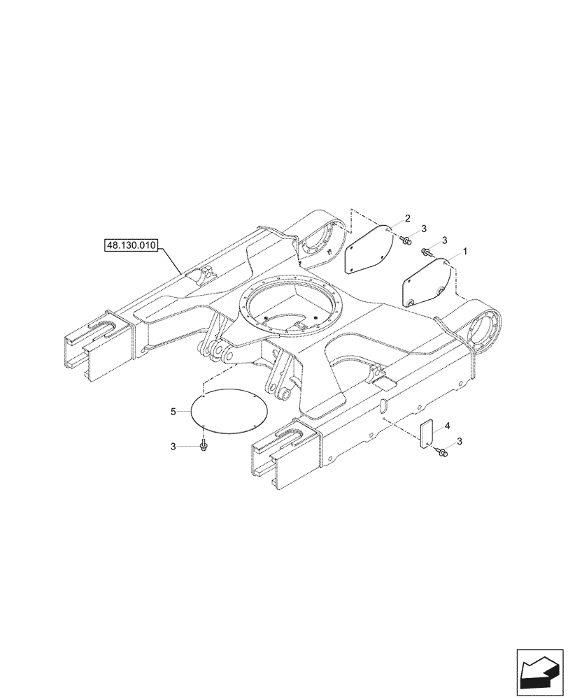
48.130.010
3
5
4
2
1
3
3
3
FIT
1:1
100%

Артикул

Название

Примечание

Количество

1

51MH-12011GGCG

COVER

Travel Motor, RH

1шт.

2

51MH-11012GGCG

COVER

Travel Motor, LH

1шт.

3

S037-102056

BOLT,M10 x 1.5 x 20mm

14шт.

4

51MH-11020GGCG

COVER

Grease

2шт.

5

51MH-11030GGCG

COVER

Lower

1шт.

Выбрано товаров: 5