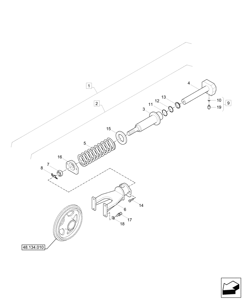
Запчасти Case CX33C (48.134.020) - VAR - 9552700, 9553700 - TENSION SPRING, COMPONENTS (48) - TRACKS & TRACK SUSPENSION

Схема запчастей Case CX33C - (48.134.020) - VAR - 9552700, 9553700 - TENSION SPRING, COMPONENTS (48) - TRACKS & TRACK SUSPENSION
48.134.010
11
1
16
5
4
15
19
2
13
6
8
14
9
10
3
17
18
12
7
FIT
1:1
100%

Артикул

Название

Примечание

Количество

1

8LMH-15050CG

ADJUSTER

LH, ASSY, Incl 2, 17, 18

1шт.

Rubber Tracks (300MM), Var. 9552700

1шт.

1

8LMH-15060CG

ADJUSTER

RH, ASSY, Incl 2, 17, 18

1шт.

Rubber Tracks (300MM), Var. 9552700

1шт.

1

8LMH-15022CG

ADJUSTER

LH, ASSY, Incl 2, 17, 18

1шт.

Steel Tracks (300MM), Var. 9553700

1шт.

1

8LMH-15032CG

ADJUSTER

RH, ASSY, Incl 2, 17, 18

1шт.

Steel Tracks (300MM), Var. 9553700

1шт.

2

8LMH-14052CG

SPRING

LH, ASSY, Incl 3 - 16

1шт.

Rubber Tracks (300MM), Var. 9552700

1шт.

2

8LMH-14062CG

SPRING

RH, ASSY, Incl 3 - 16

1шт.

Rubber Tracks (300MM), Var. 9552700

1шт.

2

8LMH-14020CG

SPRING

LH, ASSY, Incl 3 - 14, 16

1шт.

Steel Tracks (300MM), Var. 9553700

1шт.

2

8LMH-14030CG

SPRING

RH, ASSY, Incl 3 - 14, 16

1шт.

Steel Tracks (300MM), Var. 9553700

1шт.

3

81MH-14201

BODY

1шт.

4

81MH-14210

ROD

LH

1шт.

Rubber Tracks (300MM), Var. 9552700

1шт.

4

81MH-14310

ROD

RH

1шт.

Steel Tracks (300MM), Var. 9553700

1шт.

5

81MH-14220

SPRING

Tension

1шт.

6

81MH-18052

YOKE

1шт.

7

81MH-14240

NUT

1шт.

8

S461-630562

PIN

1шт.

9

81EL-20090

NIPPLE

ASSY, Incl 10, 19

1шт.

10

81EL-21091

SEAL

1шт.

11

81MH-14260

O-RING

1шт.

12

81MH-14270

BACK-UP RING

1шт.

13

81MH-14280

SEAL

1шт.

14

S017-100256

BOLT

2шт.

15

81MH-14290

SPACER

1шт.

Rubber Tracks (300MM), Var. 9552700

1шт.

16

81MH-14231

CAP

1шт.

17

S015-080456

BOLT

4шт.

18

S411-080002

WASHER

4шт.

19

NSS

NOT SOLD SEPARAT

Valve, Incl in 9

1шт.

Выбрано товаров: 37