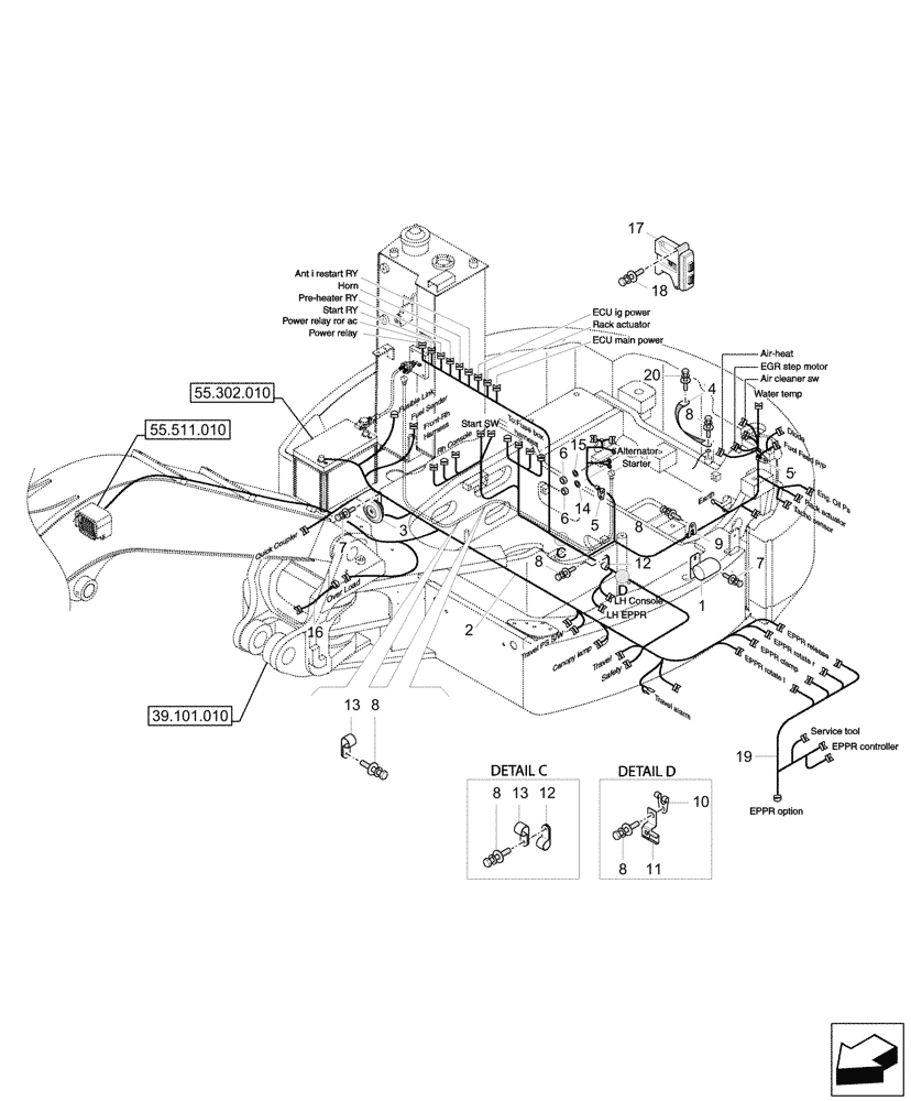
Запчасти Case CX33C (55.101.010) - UPPER, FRAME, WIRE HARNESS (55) - ELECTRICAL SYSTEMS

Схема запчастей Case CX33C - (55.101.010) - UPPER, FRAME, WIRE HARNESS (55) - ELECTRICAL SYSTEMS
55.302.010
13
10
7
7
4
16
5
13
15
8
8
8
2
17
12
20
5
12
9
11
8
3
8
6
19
6
8
14
1
18
39.101.010
55.511.010
FIT
1:1
100%

Артикул

Название

Примечание

Количество

1

21FD-30312

BUZZER

Back

1шт.

Travel Alarm, Var. 747453

1шт.

2

25MH-20104

Main

WIRE HARNESS

1шт.

3

21M8-00071

HORN

1шт.

4

21L8-30720

GROUND STRAP

Earth

1шт.

5

21E9-00170

CLIP

2шт.

6

S205-061006

NUT

2шт.

7

S035-081526

BOLT,M8 x 1.25 x 15mm

3шт.

8

S037-102026

BOLT,M10 x 1.5 x 20mm

8шт.

9

31L7-10200

CLAMP,25mm ID

11шт.

10

S593-001302

CLIP

6шт.

11

21N4-01130

PLATE

3шт.

12

S543-260002

CLAMP

2шт.

13

S543-200002

CLAMP

3шт.

14

S411-080006

WASHER

1шт.

15

S411-060006

WASHER,6mm ID

1шт.

16

21MK-11150

WIRE HARNESS

Overload

1шт.

With Object Handling Kit, Var. 747060

1шт.

17

21Q9-90030

CONTROLLER

PVG32

1шт.

With Hammer Joystick and without Flow Circuit, Var. 405032, 405034

1шт.

17

21Q9-90060

CONTROLLER

PVG32

1шт.

With Hammer Joystick and with Flow Circuit, Var. 405033, 405035

1шт.

18

S035-066526

BOLT,M6 x 1 x 65m

2шт.

With Hammer Joystick and without Flow Circuit, Var. 405032, 405034

1шт.

With Hammer Joystick and with Flow Circuit, Var. 405033, 405035

1шт.

19

21MJ-00720

WIRE HARNESS

EPPR 2WAY

1шт.

With Hammer Joystick and without Flow Circuit, Var. 405032, 405034

1шт.

19

21MJ-00740

WIRE HARNESS

EPPR 2WAY

1шт.

With Hammer Joystick and with Flow Circuit, Var. 405033, 405035

1шт.

20

S037-102022

BOLT,M10 x 1.5 x 20mm

1шт.

Выбрано товаров: 30