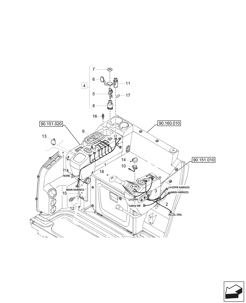
Запчасти Case CX33C (55.512.010) - CONSOLE, ELECTRONIC CONTROLS (55) - ELECTRICAL SYSTEMS

Схема запчастей Case CX33C - (55.512.010) - CONSOLE, ELECTRONIC CONTROLS (55) - ELECTRICAL SYSTEMS
14
90.151.010
5
4
10
9
90.160.010
1
13
6
11
7
2
17
8
12
15
18
16
3
90.151.020
FIT
1:1
100%

Артикул

Название

Примечание

Количество

1

21MH-10361

WIRE HARNESS

RH

1шт.

2

21MH-10050

WIRE HARNESS

LH

1шт.

3

21MH-00670

SWITCH

Cut Off

1шт.

4

2LMH-20801

SWITCH

Start, ASSY, Incl 5 - 8

1шт.

5

21N4-10400K

IGNITION KEY

Start

1шт.

6

21MH-10900

CAP

1шт.

7

21MH-10910

NUT

1шт.

8

NSS

NOT SOLD SEPARAT

Switch, Incl in 4

1шт.

9

2LMK-13003

CLUSTER

1шт.

10

21N8-20831

THROTTLE

1шт.

11

21S4-01110

CIGARETTE LIGHTER

1шт.

12

S035-051526

BOLT,M5 x 0.8 x 15mm

1шт.

13

21MJ-12300

BUZZER

Warning

1шт.

14

21N8-20941

KNOB

1шт.

15

21MH-00521

PLATE

1шт.

16

S131-061546

CAPTIVE WASHER SCREW,M6 x 1 x 15mm

3шт.

17

94MH-10350

DECAL

Start Key

1шт.

18

S760-031200

GROMMET

1шт.

Выбрано товаров: 18