Запчасти Case CX33C (10.001.030) - CRANKCASE (10) - ENGINE

Схема запчастей Case CX33C - (10.001.030) - CRANKCASE (10) - ENGINE
5
11
9
2
6
9
7
3
6
8
1
11
7
14
10
3
9
14
6
7
13
16
12
9
11
7
15
4
FIT
1:1
100%

Артикул

Название

Примечание

Количество

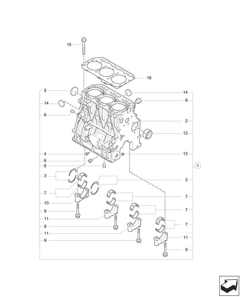
1

729005-01560

BLOCK

Cylinder, ASSY, Incl 2 - 14

1шт.

2

NSS

NOT SOLD SEPARAT

Crankcase, Incl in 1

1шт.

3

129150-02931

SET OF STD MAIN BRGS

2шт.

3

129150-02941

BEARING ASSY

+ 0.25mm Set

1шт.

4

124060-01050

PLUG

1шт.

5

129001-01250

PLUG

1шт.

6

124160-01910

PLUG

3шт.

7

129001-02931

SET OF STD MAIN BRGS

4шт.

7

129150-02871

BEARING ASSY

+ 0.25mm Set

4шт.

8

171051-01921

PLUG

1шт.

9

129150-02020

BOLT

8шт.

10

NSS

NOT SOLD SEPARAT

Support, Incl in 1

1шт.

11

NSS

NOT SOLD SEPARAT

Support, Incl in 1

3шт.

12

129795-02412

BUSHING

1шт.

13

27241-120000

PLUG

2шт.

14

27241-300000

PLUG

6шт.

15

129150-01200

STUD

14шт.

16

129001-01340

GASKET

1шт.

Выбрано товаров: 18