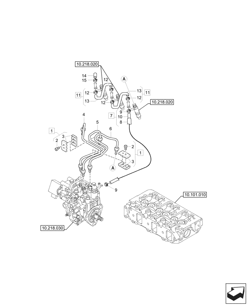
Запчасти Case CX33C (10.218.010) - FUEL INJECTOR (10) - ENGINE

Схема запчастей Case CX33C - (10.218.010) - FUEL INJECTOR (10) - ENGINE
10.218.020
10
9
3
4
2
3
13
1
13
15
1
14
12
7
6
12
11
12
2
8
11
5
12
9
10.218.030
10.101.010
10.218.020
FIT
1:1
100%

Артикул

Название

Примечание

Количество

1

129150-59120

RETAINER

Injection Pipe, ASSY, Incl 2, 3

2шт.

2

129150-59131

BOLT

4шт.

3

NSS

NOT SOLD SEPARAT

Clamp, Incl in 1

2шт.

4

XJAU-01401

PIPE

1шт.

5

XJAU-01402

PIPE

1шт.

6

XJAU-01403

PIPE

1шт.

7

XJAU-01404

PIPE

Return, ASSY, Incl 8 - 10

1шт.

8

XJAU-01405

PROTECTOR

Hose

1шт.

9

124060-77680

CLAMP

2шт.

10

NSS

NOT SOLD SEPARAT

Hose, Incl in 7

1шт.

11

129486-59551

PIPE

Return, ASSY, Incl 12, 13

2шт.

12

124722-59050

CLAMP

4шт.

13

NSS

NOT SOLD SEPARAT

Pipe, Incl in 11

2шт.

14

119593-59581

CAP

1шт.

15

124060-77680

CLAMP

1шт.

Выбрано товаров: 15