Запчасти Case CX33C (10.304.010) - ENGINE, OIL COOLER & FILTER (10) - ENGINE

Схема запчастей Case CX33C - (10.304.010) - ENGINE, OIL COOLER & FILTER (10) - ENGINE
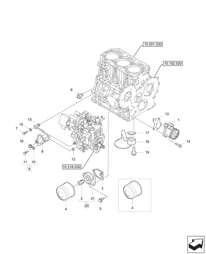
10.001.030
2
17
15
19
12
1
7
6
4
20
10
21
4
13
5
11
8
9
3
14
15
16
18
10.218.030
10.102.020
FIT
1:1
100%

Артикул

Название

Примечание

Количество

1

129001-32002

1шт.

2

129100-35140

STUD

1шт.

3

129150-35111

GASKET

1шт.

4

129150-35153

ENGINE OIL FILTER

Oil Lubrification

1шт.

For Std Work Condition

1шт.

4

119005-35151

ENGINE OIL FILTER

Oil Lubrification

1шт.

For Hard Work Condition

1шт.

5

26106-080202

BOLT

3шт.

6

119761-39450

SWITCH

Pressure

1шт.

7

124160-39140

BOLT

1шт.

8

119802-39450

PIPE

Oil Lubrification

1шт.

9

129005-59830

BOLT

ASSY, Incl 10, 11

1шт.

10

22190-080002

WASHER

1шт.

11

23857-030000

JOINT

1шт.

12

22190-080002

WASHER

1шт.

13

129150-32020

GASKET

Oil Pump

1шт.

14

26450-060252

BOLT

4шт.

15

22190-100002

WASHER

2шт.

16

26366-060002

NUT

1шт.

17

129150-35042

GASKET

1шт.

18

129100-35301

PICK-UP

Oil Inlet

1шт.

19

26106-080352

BOLT

2шт.

20

119802-35100

BRACKET

Filter, ASSY, Incl 2, 21

1шт.

21

119802-35110

BRACKET

Filter

1шт.

Выбрано товаров: 24