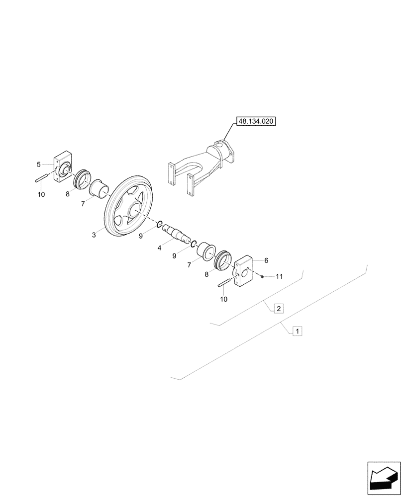
Запчасти Case CX37C (48.134.010) - VAR - 9552700, 9553700 - IDLER WHEEL, COMPONENTS (48) - TRACKS & TRACK SUSPENSION

Схема запчастей Case CX37C - (48.134.010) - VAR - 9552700, 9553700 - IDLER WHEEL, COMPONENTS (48) - TRACKS & TRACK SUSPENSION
48.134.020
3
10
8
8
4
9
9
2
6
10
1
11
5
7
7
FIT
1:1
100%

Артикул

Название

Примечание

Количество

1

8LMH-15050CG

ADJUSTER

LH, ASSY, Incl 2

1шт.

Rubber Tracks (300MM), Var. 9552700

1шт.

1

8LMH-15060CG

ADJUSTER

RH, ASSY, Incl 2

1шт.

Rubber Tracks (300MM), Var. 9552700

1шт.

1

8LMH-15022CG

ADJUSTER

LH, ASSY, Incl 2

1шт.

Steel Tracks (300MM), Var. 9553700

1шт.

1

8LMH-15032CG

ADJUSTER

RH, ASSY, Incl 2

1шт.

Steel Tracks (300MM), Var. 9553700

1шт.

2

8LMH-13070CG

IDLER

ASSY, Incl 3 - 11

1шт.

Rubber Tracks (300MM), Var. 9552700

1шт.

2

8LMH-13041CG

IDLER

ASSY, Incl 3 - 11

1шт.

Steel Tracks (300MM), Var. 9553700

1шт.

3

83MH-13700

ROLLER

1шт.

Rubber Tracks (300MM), Var. 9552700

1шт.

3

83MH-13700

ROLLER

1шт.

Steel Tracks (300MM), Var. 9553700

1шт.

4

81MH-13711

SHAFT

1шт.

5

81MH-13732

COLLAR

LH

1шт.

6

81MH-13750

COLLAR

RH

1шт.

7

81MK-13320

BUSHING

2шт.

8

81MK-13340

SEAL

2шт.

9

81MK-13370

O-RING

2шт.

10

81MH-13780

PIN

2шт.

11

81MJ-13390

PLUG

1шт.

Выбрано товаров: 24