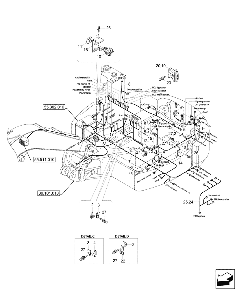
Запчасти Case CX37C (55.101.010) - UPPER, FRAME, WIRE HARNESS (55) - ELECTRICAL SYSTEMS

Схема запчастей Case CX37C - (55.101.010) - UPPER, FRAME, WIRE HARNESS (55) - ELECTRICAL SYSTEMS
39.101.010
20
21
18
13
8
2
12
19
3
27
27
3
11
1
17
9
27
26
2
6
16
4
24
15
25
27
27
1
14
27
4
26
7
22
26
2
27
23
55.302.010
5
55.511.010
10
27
FIT
1:1
100%

Артикул

Название

Примечание

Количество

1

21E9-00170

CLIP

2шт.

2

S593-001302

CLIP

5шт.

3

S543-200002

CLAMP

4шт.

4

S543-260002

CLAMP

2шт.

5

S205-061006

NUT

1шт.

6

21M8-00071

HORN

1шт.

7

21MH-28102

WIRE HARNESS

Main

1шт.

8

21MH-00032

WIRE HARNESS

Air Conditioning

1шт.

Air Conditioning Only, Var. 747989

1шт.

Air Conditioning and Heater, Var. 747990

1шт.

9

21M5-51200

GROUND STRAP

1шт.

10

21LM-10502

ROTARY SWITCH

Master

1шт.

11

21N5-40370

DECAL

Master Switch

1шт.

12

S205-081006

NUT

1шт.

13

S411-060006

WASHER,6mm ID

1шт.

14

21FD-30312

BUZZER

Back

1шт.

Travel Alarm, Var. 747453

1шт.

15

S411-080006

WASHER

1шт.

16

21MH-00511GGCG

PLATE

Master Switch

1шт.

17

21MH-00253

ELECTRIC CABLE

Start

1шт.

18

31L7-10200

CLAMP,25mm ID

8шт.

19

21Q9-90030

CONTROLLER

PVG 32

1шт.

Arm Short (1.3M) with Hammer Joystick and without Flow Circuit, Var. 405032

1шт.

Arm Long (1.6M) with Hammer Joystick and without Flow Circuit , Var. 405034

1шт.

20

21Q9-90060

CONTROLLER

PVG 32

1шт.

Arm Short (1.3M) with Hammer Joystick and Flow Circuit, Var. 405033

1шт.

Arm Long (1.6M) with Hammer Joystick and Flow Circuit , Var. 405035

1шт.

21

21MK-11150

WIRE HARNESS

Overload

1шт.

Cab Working Light, Var. 747057

1шт.

22

21N4-01130

PLATE

3шт.

23

S035-066526

BOLT,M6 x 1 x 65m

2шт.

Arm Short (1.3M) with Hammer Joystick and without Flow Circuit, Var. 405032

1шт.

Arm Long (1.6M) with Hammer Joystick and without Flow Circuit , Var. 405034

1шт.

Arm Short (1.3M) with Hammer Joystick and Flow Circuit, Var. 405033

1шт.

Arm Long (1.6M) with Hammer Joystick and Flow Circuit , Var. 405035

1шт.

24

21MJ-00740

WIRE HARNESS

4Way

1шт.

Arm Short (1.3M) with Hammer Joystick and Flow Circuit, Var. 405033

1шт.

Arm Long (1.6M) with Hammer Joystick and Flow Circuit , Var. 405035

1шт.

25

21MJ-00720

WIRE HARNESS

2Way

1шт.

Arm Short (1.3M) with Hammer Joystick and without Flow Circuit, Var. 405032

1шт.

Arm Long (1.6M) with Hammer Joystick and without Flow Circuit , Var. 405034

1шт.

26

S035-081526

BOLT,M8 x 1.25 x 15mm

5шт.

27

S037-102026

BOLT,M10 x 1.5 x 20mm

9шт.

Выбрано товаров: 0