Качественные детали и логистика
Оригинальные и аналоговые запчасти с доставкой по России, Казахстану и Беларуси
©2022 PartSell ООО "Система" ИНН 2463123282 ОГРН 1212400004838
Центральный офис: г. Красноярск, Академика Киренского, д.87, пом.4
Телефон: 8 (800) 777-65-74 Email: zakaz@partsell.ru
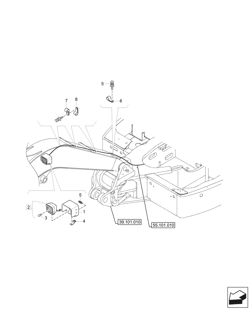
(55.511.010) - WORK LIGHT, BOOM, WIRE HARNESS
№
Артикул
Название
Примечание
Количество
1
21Q4-30900CA
GUARD
1шт.
2
2LM9-42000
WORK LAMP
ASSY, Incl 3
3
S866-120550
BULB
4
25D1-10640
CLIP
5
S037-102026
BOLT,M10 x 1.5 x 20mm
3шт.
6
31L7-10190
CLAMP,15mm ID
7
S552-035300
CLAMP
8
S554-054300
BAND
Выбрано товаров: 0