Запчасти Case CX37C (84.100.030) - VAR - 747062, 747063 - BUCKET, LINK (84) - BOOMS, DIPPERS & BUCKETS

Схема запчастей Case CX37C - (84.100.030) - VAR - 747062, 747063 - BUCKET, LINK (84) - BOOMS, DIPPERS & BUCKETS
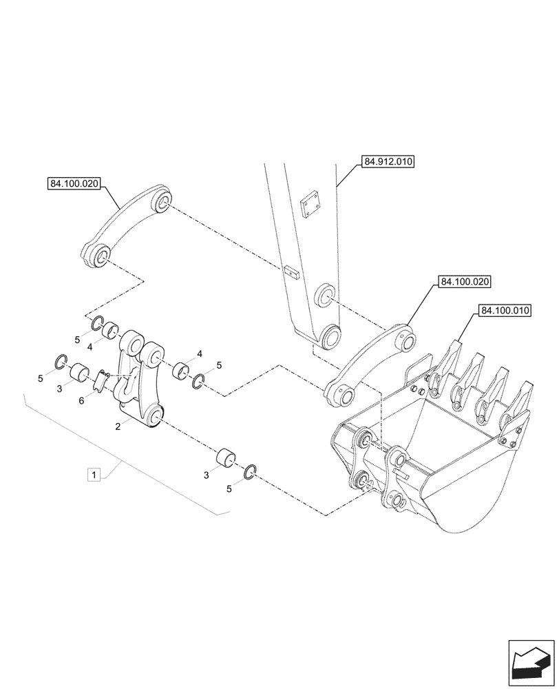
84.100.010
4
6
1
4
3
5
5
5
2
5
3
84.912.010
84.100.020
84.100.020
FIT
1:1
100%

Артикул

Название

Примечание

Количество

1

62MH-40051CG

ROD

ASSY, Incl 2 - 6

1шт.

Linkage with Hook, Var. 747062

1шт.

1

62MH-40011CG

ROD

ASSY, Incl 2 - 5

1шт.

Linkage without Hook, Var. 747063

1шт.

2

NSS

NOT SOLD SEPARAT

Control Rod, Incl in 1

1шт.

Linkage with Hook, Var. 747062

1шт.

2

NSS

NOT SOLD SEPARAT

Control Rod, Incl in 1

1шт.

Linkage without Hook, Var. 747063

1шт.

3

61KH-81410

BUSHING

2шт.

4

61KH-81430

BUSHING

2шт.

5

Y020-040011

SEAL

6шт.

6

61MK-40150

6шт.

Linkage with Hook, Var. 747062

1шт.

Выбрано товаров: 0