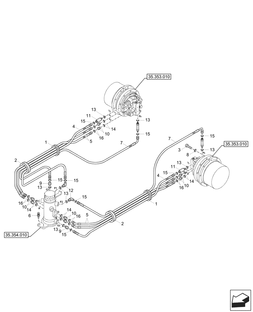
Запчасти Case CX37C (35.353.040) - TRAVEL MOTOR & REDUCTION GEAR, LINES (35) - HYDRAULIC SYSTEMS

Схема запчастей Case CX37C - (35.353.040) - TRAVEL MOTOR & REDUCTION GEAR, LINES (35) - HYDRAULIC SYSTEMS
35.353.010
12
13
13
10
15
13
2
15
11
1
16
7
5
14
6
15
13
3
14
8
10
15
16
2
7
15
10
14
9
15
1
4
10
14
13
9
11
16
13
15
5
15
16
4
13
35.354.010
35.353.010
FIT
1:1
100%

Артикул

Название

Примечание

Количество

1

S760-070812

GROMMET

2шт.

2

S760-071800

GROMMET

2шт.

3

S017-120406

BOLT

18шт.

4

P910-042020

HYDRAULIC HOSE

2шт.

5

P920-085020

HYDRAULIC HOSE

4шт.

6

S037-103026

BOLT,M10 x 1.5 x 30mm

4шт.

7

31MH-40310

HYDRAULIC HOSE

2шт.

8

S441-120006

WASHER

18шт.

9

X500-110001

HYD CONNECTOR,PF 1/4 x 9/16 - 18 UNF

2шт.

10

X500-110003

HYD CONNECTOR,PF 1/2 x 13/16 - 16 UNF

8шт.

11

X511-106513

HYD CONNECTOR

2шт.

12

X530-110001

45 ELBOW,PF 1/4 x 9/16 - 18 UNF

2шт.

13

S631-110004

8шт.

14

S631-180004

O-RING

8шт.

15

S621-011001

O-RING,9/16 - 18 UNF

8шт.

16

S621-140001

8шт.

Выбрано товаров: 16