Запчасти Case CX37C (35.357.050) - PILOT CONTROLS, PILOT VALVE (35) - HYDRAULIC SYSTEMS

Схема запчастей Case CX37C - (35.357.050) - PILOT CONTROLS, PILOT VALVE (35) - HYDRAULIC SYSTEMS
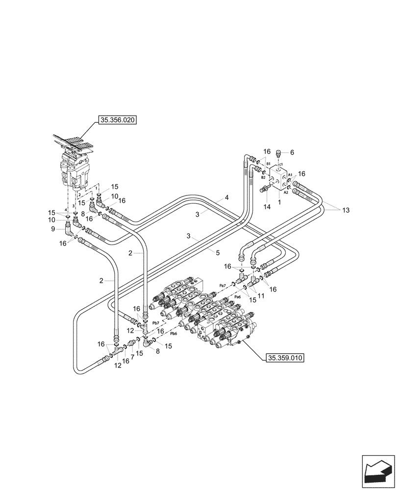
35.359.010
16
16
16
2
13
16
15
16
15
14
16
6
16
9
11
3
7
8
15
8
2
16
5
15
16
10
10
16
1
15
15
16
12
3
12
4
35.356.020
FIT
1:1
100%

Артикул

Название

Примечание

Количество

1

32MJ-20410

HYDRAULIC VALVE

1шт.

Travel Alarm, Var. 747453

1шт.

2

X400-042005

HYDRAULIC HOSE,9/16 - 18 UNF x 250mm

2шт.

Travel Alarm, Var. 747453

1шт.

3

X420-042006

HYDRAULIC HOSE

2шт.

Travel Alarm, Var. 747453

1шт.

4

X420-042016

HYDRAULIC HOSE,9/16 - 18 UNF x 800mm

1шт.

Travel Alarm, Var. 747453

1шт.

5

X420-042007

HYDRAULIC HOSE,9/16 - 18 UNF x 350mm

1шт.

Travel Alarm, Var. 747453

1шт.

6

31E5-40540

SWITCH

1шт.

Travel Alarm, Var. 747453

1шт.

7

X500-110001

HYD CONNECTOR,PF 1/4 x 9/16 - 18 UNF

1шт.

Travel Alarm, Var. 747453

1шт.

8

X520-110001

ELBOW,PF 1/4 x 9/16 - 18 UNF

2шт.

9

31N6-25110

ELBOW,PF 1/4 x 9/16 - 18 UNF

1шт.

10

X530-110001

45 ELBOW,PF 1/4 x 9/16 - 18 UNF

2шт.

11

X820-045151

TEE,PF 1/4 x 9/16 - 18 UNF x 9/16 - 18 UNF

2шт.

Travel Alarm, Var. 747453

1шт.

12

X840-515151

TEE,9/16 - 18 UNF

2шт.

Travel Alarm, Var. 747453

1шт.

13

X420-042018

HYDRAULIC HOSE,9/16 - 18 UNF x 900mm

2шт.

Travel Alarm, Var. 747453

1шт.

14

S035-084526

BOLT,M8 x 1.25 x 45mm

2шт.

Travel Alarm, Var. 747453

1шт.

15

S631-011004

O-RING,PF 1/4

8шт.

16

S621-011001

O-RING,9/16 - 18 UNF

18шт.

Выбрано товаров: 0