Качественные детали и логистика
Оригинальные и аналоговые запчасти с доставкой по России, Казахстану и Беларуси
©2022 PartSell ООО "Система" ИНН 2463123282 ОГРН 1212400004838
Центральный офис: г. Красноярск, Академика Киренского, д.87, пом.4
Телефон: 8 (800) 777-65-74 Email: zakaz@partsell.ru
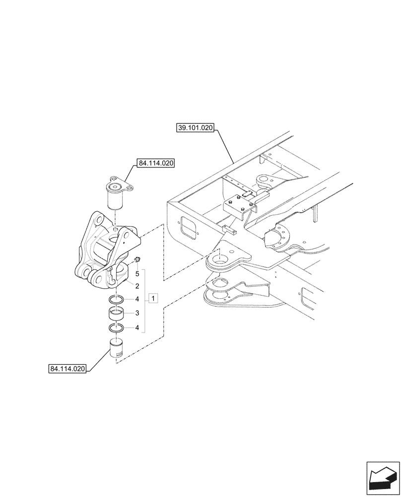
(84.114.010) - VAR - 747076 - BOOM SWING, TOWER
№
Артикул
Название
Примечание
Количество
1
41M9-70003CG
SWING CARRIAGE
ASSY, Incl 2 - 5
1шт.
2
NSS
NOT SOLD SEPARAT
Swing Tower, Incl in 1
3
61M9-91100
BUSHING
4
Y020-110011
SEAL
2шт.
5
S651-810002
NIPPLE
Выбрано товаров: 0