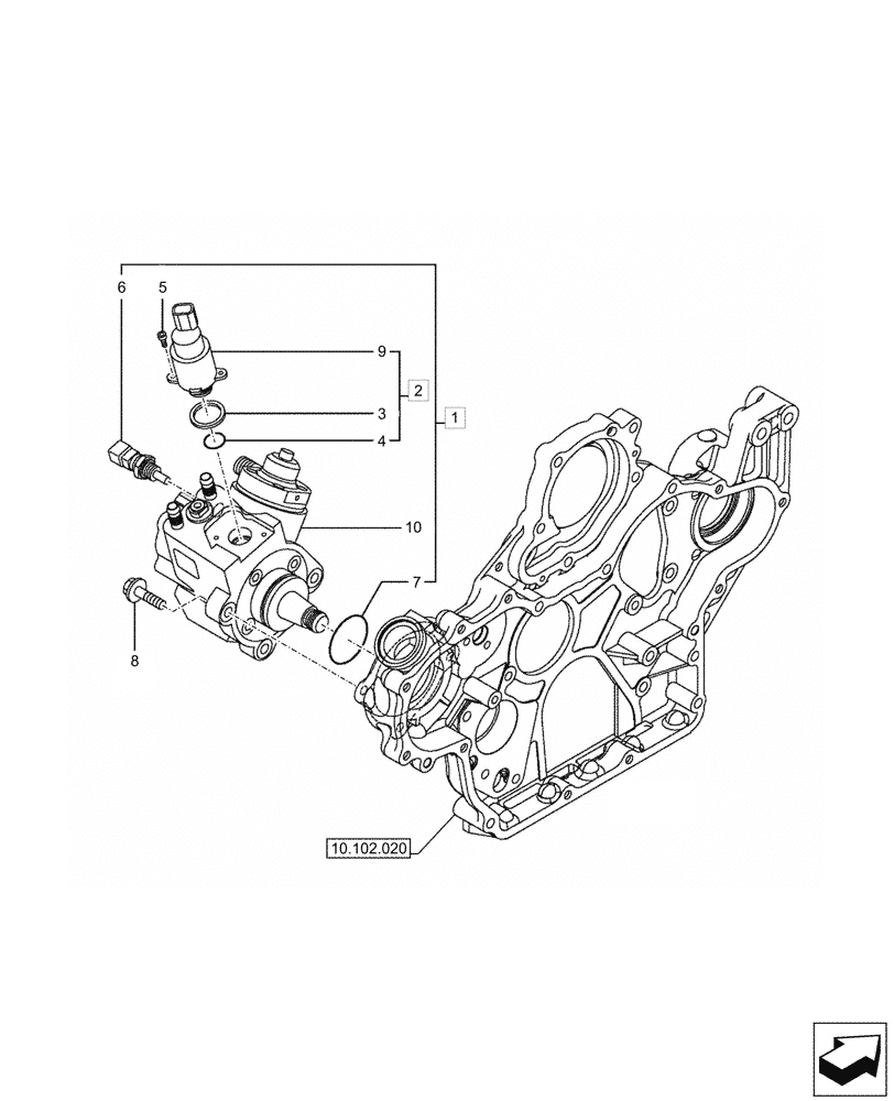
Запчасти Case CX57C (10.218.020) - INJECTION PUMP, COMPONENTS (10) - ENGINE

Схема запчастей Case CX57C - (10.218.020) - INJECTION PUMP, COMPONENTS (10) - ENGINE
5
6
4
3
1
2
8
9
10
7
10.102.020
FIT
1:1
100%

Артикул

Название

Примечание

Количество

1

XJAU-01321

FUEL PUMP

ASSY, Incl 2, 5 - 7, 10

1шт.

2

XJAU-01322

HYDRAULIC VALVE

ASSY, Incl 3, 4, 9

1шт.

3

XJAU-01323

SEAL

1шт.

4

XJAU-01324

O-RING

1шт.

5

XJAU-01325

BOLT

2шт.

6

XJAU-01326

SENSOR

Temperature

1шт.

7

XJAU-01327

O-RING

1шт.

8

XJAU-00220

BOLT

3шт.

9

NSS

NOT SOLD SEPARAT

Valve, Incl in 2

1шт.

10

NSS

NOT SOLD SEPARAT

Pump, Incl in 1

1шт.

Выбрано товаров: 10