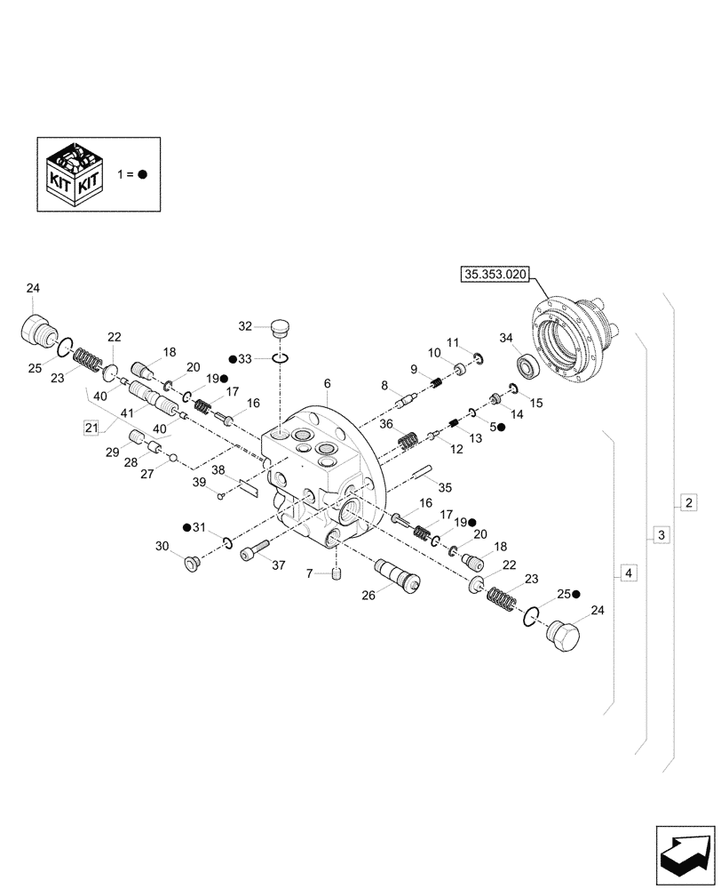
Запчасти Case CX57C (35.353.010) - TRAVEL MOTOR & REDUCTION GEAR, COMPONENTS (35) - HYDRAULIC SYSTEMS

Схема запчастей Case CX57C - (35.353.010) - TRAVEL MOTOR & REDUCTION GEAR, COMPONENTS (35) - HYDRAULIC SYSTEMS
35.353.020
36
12
2
40
23
18
24
39
1
18
8
25
30
22
31
19
23
1
9
20
13
34
16
33
3
10
29
27
4
37
28
1
1
11
15
26
17
20
1
7
40
21
41
17
5
24
32
14
38
1
35
6
25
1
22
1
19
16
FIT
1:1
100%

Артикул

Название

Примечание

Количество

1

XKAY-00413

SEAL KIT

ASSY, Incl 5, 19, 25, 31, 33

1шт.

See Also Figure 35.353.020, 35.353.030

1шт.

2

31M8-40040CG

HYDRAULIC MOTOR

Travel, ASSY, Incl 3

1шт.

See Also Figure 35.353.020, 35.353.030

1шт.

3

XKAY-02242

HYDRAULIC MOTOR

ASSY, Incl 4

1шт.

4

XKAY-01991

COVER

Rear, ASSY, Incl 5 - 41

1шт.

5

XKAY-00359

O-RING

1шт.

6

XKAY-00361

COVER

1шт.

7

XKAY-00198

PLUG

9шт.

8

XKAY-00362

KIT

1шт.

9

XKAY-00363

SPRING

1шт.

10

XKAY-00364

PLUG

1шт.

11

XKAY-00365

SNAP RING

1шт.

12

XKAY-00366

CONTROL

1шт.

13

XKAY-00367

SPRING

1шт.

14

XKAY-00368

VALVE SEAT

1шт.

15

XKAY-00415

SNAP RING

1шт.

16

XKAY-00369

CONTROL

2шт.

17

XKAY-00370

SPRING

2шт.

18

XKAY-00371

PLUG

2шт.

19

XKAY-02216

O-RING

2шт.

20

XKAY-02219

BACK-UP RING

2шт.

21

XKAY-00372

SPOOL

ASSY, Incl 40, 41

1шт.

22

XKAY-00374

SPRING SEAT

2шт.

23

XKAY-00375

SPRING

2шт.

24

XKAY-00376

PLUG

2шт.

25

NSS

NOT SOLD SEPARAT

2шт.

26

XKAY-02220

HYDRAULIC VALVE

Relief

2шт.

27

XKAY-00253

BALL

1шт.

28

XKAY-00379

SPACER

1шт.

29

XKAY-00140

PLUG

1шт.

30

XKAY-00150

PLUG

2шт.

31

NSS

NOT SOLD SEPARAT

2шт.

32

XKAY-00138

PLUG

1шт.

33

XKAY-02222

O-RING

1шт.

34

XKAY-00381

BALL BEARING

1шт.

35

XKAY-00382

PIN

1шт.

36

XKAY-00620

SPRING

8шт.

37

XKAY-00136

BOLT

8шт.

38

XKAY-02230

NAMEPLATE

1шт.

39

XKAY-00277

RIVET

2шт.

40

XKAY-00409

ORIFICE

2шт.

41

NSS

NOT SOLD SEPARAT

Spool, Incl in 21

1шт.

Выбрано товаров: 43