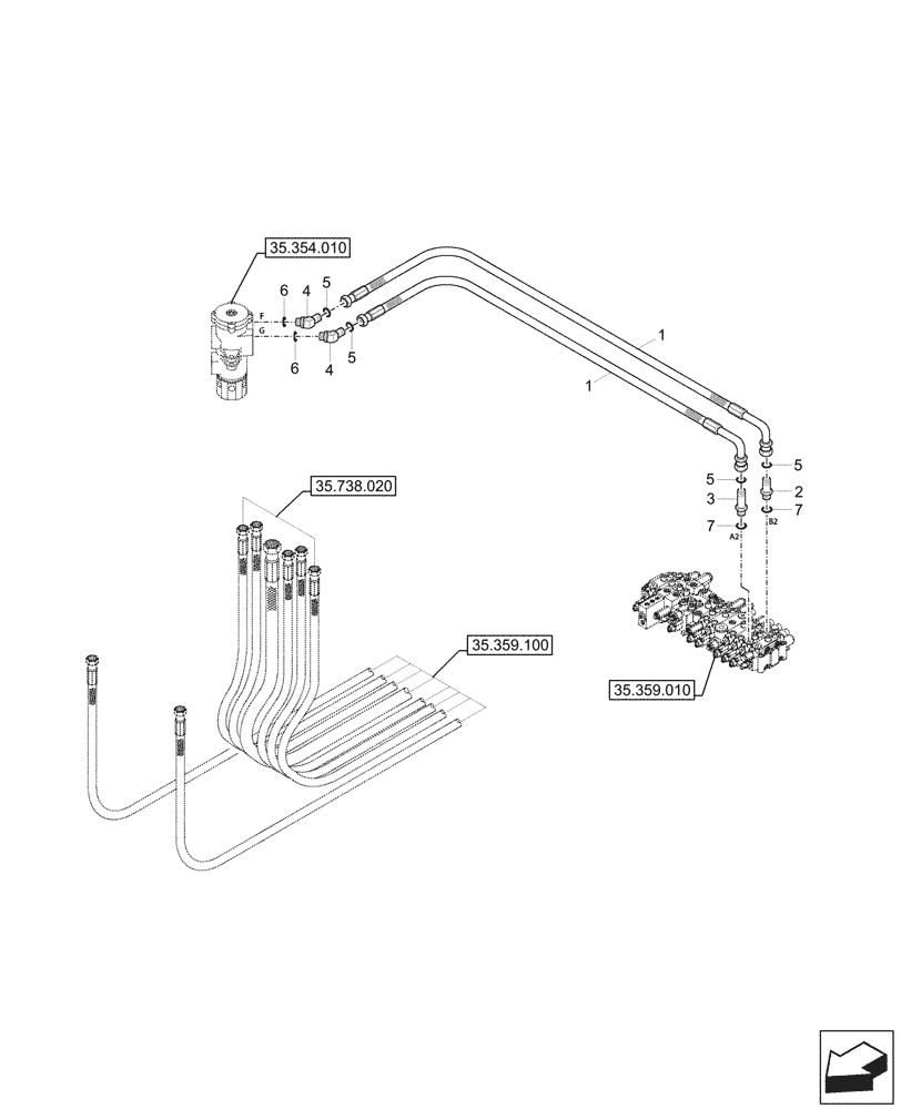
Запчасти Case CX57C (35.354.040) - VAR - 747077 - HYDRAULIC SWIVEL, LINES (35) - HYDRAULIC SYSTEMS

Схема запчастей Case CX57C - (35.354.040) - VAR - 747077 - HYDRAULIC SWIVEL, LINES (35) - HYDRAULIC SYSTEMS
35.354.010
7
5
4
7
1
1
6
5
5
6
2
3
5
4
35.738.020
35.359.100
35.359.010
FIT
1:1
100%

Артикул

Название

Примечание

Количество

1

P930-065030

HYDRAULIC HOSE

2шт.

2

X500-110015

HYD CONNECTOR

1шт.

3

X511-108524

HYD CONNECTOR

Long

1шт.

4

X530-110002

ELBOW,PF 3/8 x 11/16 - 16 UNF

2шт.

5

S621-012001

O-RING

4шт.

6

S631-014004

O-RING

2шт.

7

S631-018004

O-RING

2шт.

Выбрано товаров: 7