Запчасти Case CX57C (35.356.010) - PEDAL CONTROL (35) - HYDRAULIC SYSTEMS

Схема запчастей Case CX57C - (35.356.010) - PEDAL CONTROL (35) - HYDRAULIC SYSTEMS
35.355.010
5
10
31
6
3
7
26
18
20
20
6
17
1
21
16
32
19
8
5
14
21
15
12
25
4
5
27
22
29
28
23
13
30
2
9
11
24
90.160.030
90.160.030
FIT
1:1
100%

Артикул

Название

Примечание

Количество

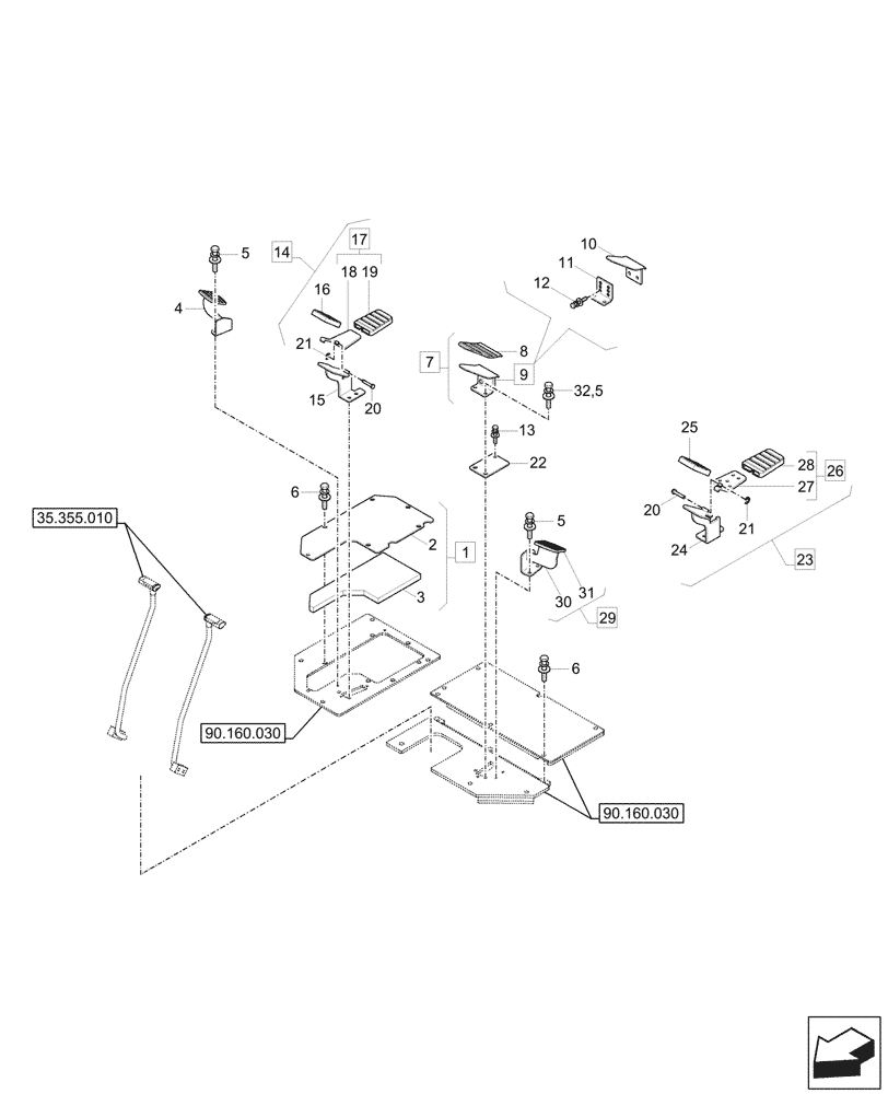
1

71M9-10502CG

COVER

Joint, ASSY, Incl 2, 3

1шт.

2

71M9-10492CG

PLATE

1шт.

3

71M9-10511

TRIM

1шт.

4

71M9-10631CG

BRACKET

RH

1шт.

5

S035-082026

BOLT,M8 x 1.25 x 20mm

8шт.

6

S037-102526

BOLT,M10 x 1.5 x 25mm

15шт.

7

71M9-25530CG

FOOTREST

LH, ASSY, Incl 8, 9

1шт.

Auxiliary Hydraulic Circuit, Joystick, Var. 747093, 747122

1шт.

8

71M9-23130

FOOTREST

Rubber, LH

1шт.

9

71M9-25481CG

FOOTREST

LH, ASSY, Incl 10 - 12

1шт.

10

71M9-25501CG

PLATE

1шт.

11

71M9-22722CG

BRACKET

1шт.

12

S035-082526

BOLT,M8 x 1.25 x 25mm

2шт.

13

S035-081526

BOLT,M8 x 1.25 x 15mm

1шт.

Auxiliary Hydraulic Circuit, Joystick, Var. 747093, 747122

1шт.

14

71M9-23621CG

PEDAL

RH, ASSY, Incl 15 - 17, 20 (Qty 1), 21 (Qty 1)

1шт.

15

71M9-23631CG

PEDAL

1шт.

16

71M9-23670

RUBBER SEAL

Rubber

1шт.

17

71M9-23681CG

Lower, RH, ASSY, Incl 18, 19

PEDAL

1шт.

18

71M9-23691CG

PEDAL

1шт.

19

NSS

NOT SOLD SEPARAT

Rubber Pedal, Incl in 17

1шт.

20

73M8-10450

SHAFT

2шт.

21

P560-060002

RING

2шт.

22

72M9-10431CG

COVER

1шт.

Auxiliary Hydraulic Circuit, Joystick, Var. 747093, 747122

1шт.

23

71M9-23471CG

PEDAL

LH, ASSY, Incl 20 (Qty 1), 21 (Qty 1), 24 - 26

1шт.

Auxiliary Hydraulic Circuit, Pedal, Var. 747123

1шт.

24

71M9-23491CG

PEDAL

1шт.

25

71M9-23590

PEDAL

1шт.

26

71M9-23611CG

PEDAL

Lower, LH, ASSY, Incl 27, 28

1шт.

27

71M9-23511CG

PEDAL

1шт.

28

NSS

NOT SOLD SEPARAT

Rubber Pedal, Incl in 26

1шт.

29

71M9-10621CG

FOOTREST

LH, ASSY, Incl 30, 31

1шт.

Auxiliary Hydraulic Circuit, Pedal, Var. 747123

1шт.

30

71M9-10581CG

FOOTREST

1шт.

31

FAC0600400

COVER

1шт.

32

S037-102526

BOLT,M10 x 1.5 x 25mm

2шт.

Выбрано товаров: 37