Качественные детали и логистика
Оригинальные и аналоговые запчасти с доставкой по России, Казахстану и Беларуси
©2022 PartSell ООО "Система" ИНН 2463123282 ОГРН 1212400004838
Центральный офис: г. Красноярск, Академика Киренского, д.87, пом.4
Телефон: 8 (800) 777-65-74 Email: zakaz@partsell.ru
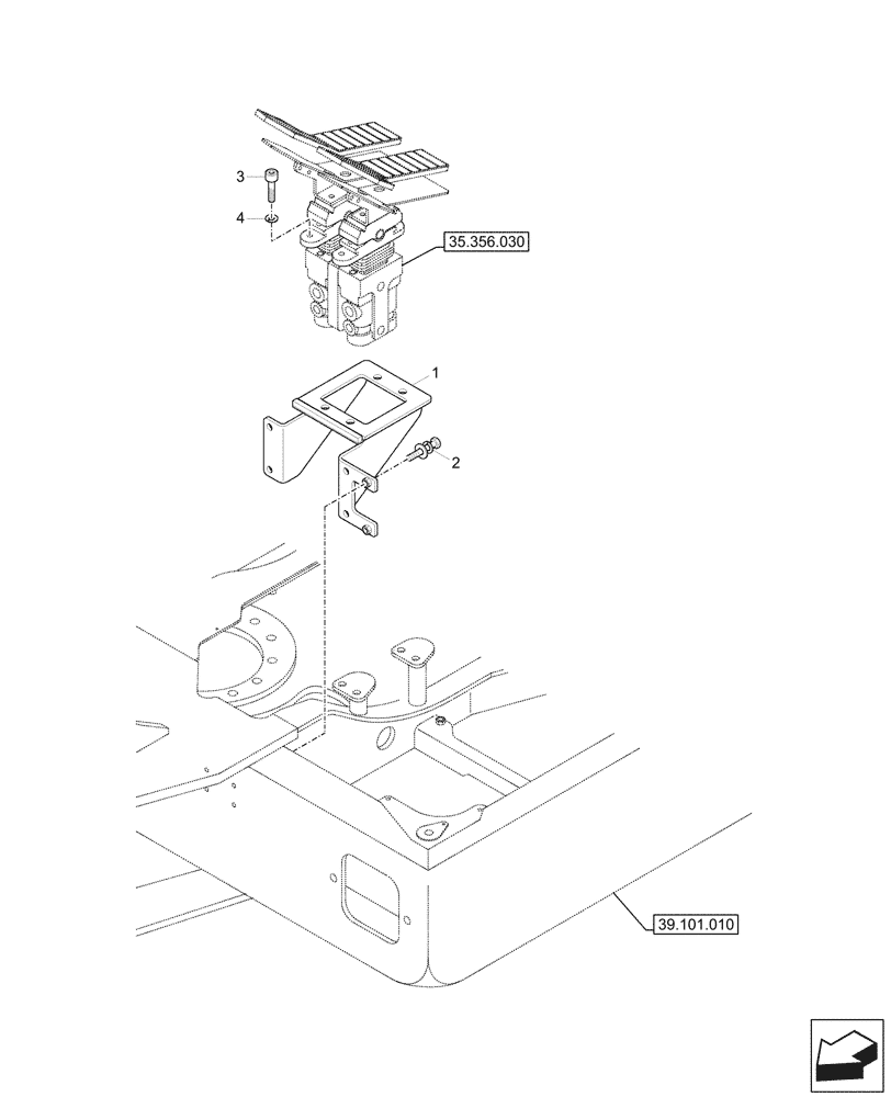
(35.356.020) - FOOT CONTROL VALVE, SUPPORT
№
Артикул
Название
Примечание
Количество
1
31M9-15660CG
BRACKET
1шт.
2
S037-103026
BOLT,M10 x 1.5 x 30mm
4шт.
3
S109-100306
BOLT
4
S411-100006
WASHER
Выбрано товаров: 0