Запчасти Case CX57C (35.359.010) - CONTROL VALVE (35) - HYDRAULIC SYSTEMS

Схема запчастей Case CX57C - (35.359.010) - CONTROL VALVE (35) - HYDRAULIC SYSTEMS
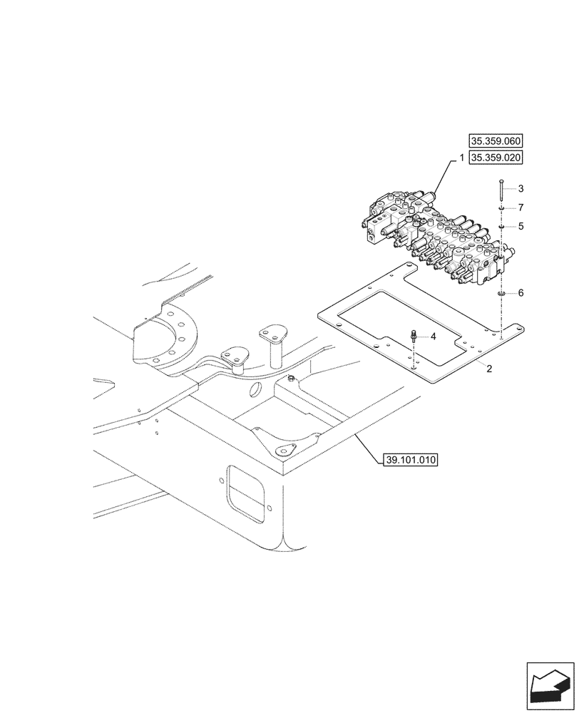
39.101.010
6
5
2
3
7
4
1
35.359.020
35.359.060
FIT
1:1
100%

Артикул

Название

Примечание

Количество

1

31M9-10112

CONTROL VALVE

1шт.

Upper Frame With Fixed Boom, Var. 747077

1шт.

Single Acting Circuit, Var. 747093

1шт.

1

31M9-18111

CONTROL VALVE

1шт.

Upper Frame With Fixed Boom, Var. 747077

1шт.

Double Acting Circuit, Var. 747122, 747123

1шт.

1

31M9-16150

CONTROL VALVE

1шт.

Upper Frame With Swing Boom, Var. 747076

1шт.

Single Acting Circuit, Var. 747093

1шт.

1

31M9-18150

CONTROL VALVE

1шт.

Upper Frame With Swing Boom, Var. 747076

1шт.

Double Acting Circuit, Var. 747122, 747123

1шт.

2

31M9-18520CG

BRACKET

1шт.

3

S015-080856

BOLT,M8 x 1.25 x 85mm

4шт.

4

S037-123026

BOLT

5шт.

5

S403-08200B

WASHER

4шт.

6

S403-10200B

WASHER

4шт.

7

S411-080006

WASHER

4шт.

Выбрано товаров: 18