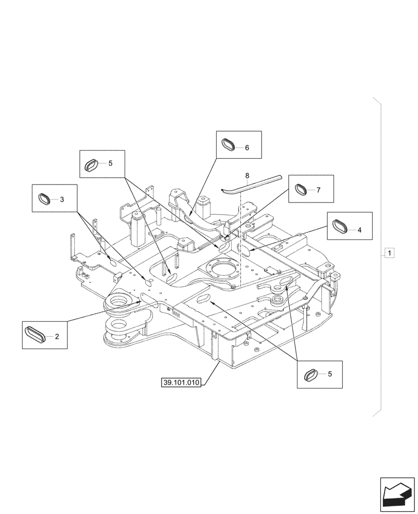
Запчасти Case CX60C (39.101.020) - UPPER, FRAME, GROMMET (39) - FRAMES AND BALLASTING

Схема запчастей Case CX60C - (39.101.020) - UPPER, FRAME, GROMMET (39) - FRAMES AND BALLASTING
39.101.010
2
3
4
1
6
8
5
7
5
FIT
1:1
100%

Артикул

Название

Примечание

Количество

1

41ML-40013

KIT

ASSY, Incl 2 - 7

1шт.

2

31M5-51900

GROMMET

1шт.

3

S760-060604

GROMMET

2шт.

4

S760-061414

GROMMET

1шт.

5

S760-121010

GROMMET

4шт.

6

S760-040808

GROMMET

1шт.

7

S760-041206

GROMMET

1шт.

8

41ML-51900

GROMMET

1шт.

Выбрано товаров: 8