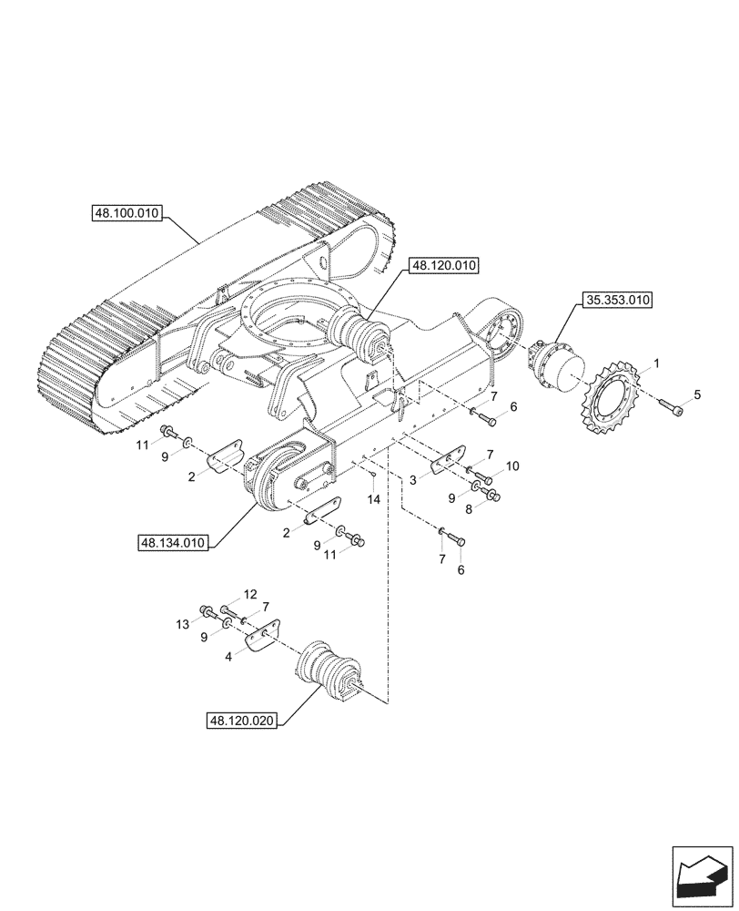
Запчасти Case CX60C (48.130.030) - VAR - 747097, 9552610, 9552611, 9552612, 9552710 - SPROCKET, TRACK CHAIN, GUARD (48) - TRACKS & TRACK SUSPENSION

Схема запчастей Case CX60C - (48.130.030) - VAR - 747097, 9552610, 9552611, 9552612, 9552710 - SPROCKET, TRACK CHAIN, GUARD (48) - TRACKS & TRACK SUSPENSION
48.134.010
1
6
12
9
2
9
13
7
3
10
9
4
11
11
9
8
6
5
7
2
7
7
14
48.120.010
48.100.010
48.120.020
35.353.010
FIT
1:1
100%

Артикул

Название

Примечание

Количество

1

81M9-10010CG

SPROCKET

2шт.

2

81M8-16011CG

GUARD

4шт.

3

81M8-16021CG

GUARD

4шт.

4

81M9-16031CG

GUARD

4шт.

5

81E1-19610

BOLT

24шт.

6

S017-18045D

BOLT

16шт.

7

S403-182006

WASHER

24шт.

8

S017-16035D

BOLT

8шт.

9

S441-160006

WASHER

24шт.

10

S017-18055D

BOLT

4шт.

11

S017-16050D

BOLT

8шт.

12

S017-18065D

BOLT

4шт.

13

S017-16045D

HEX SOC SCREW

8шт.

14

S981-182000

PLUG

8шт.

Выбрано товаров: 0