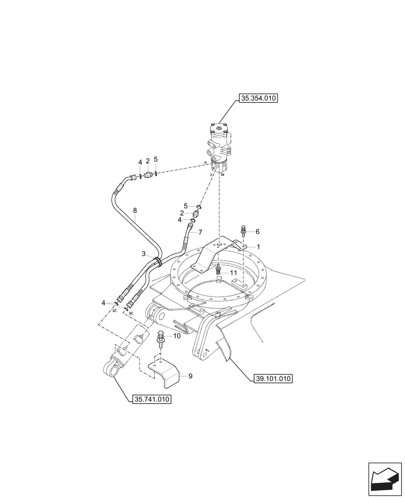
Запчасти Case CX60C (35.353.050) - DOZER, LINES (35) - HYDRAULIC SYSTEMS

Схема запчастей Case CX60C - (35.353.050) - DOZER, LINES (35) - HYDRAULIC SYSTEMS
39.101.010
3
7
5
8
9
1
6
4
4
2
2
10
11
5
4
35.741.010
35.354.010
FIT
1:1
100%

Артикул

Название

Примечание

Количество

1

31M9-40170CG

BRACKET

T/Joint

1шт.

2

X500-110002

HYD CONNECTOR,PF 3/8 x 11/16 - 16 UNF

ORFS

2шт.

3

S760-070806

GROMMET

1шт.

4

S621-012001

O-RING

4шт.

5

S631-014004

O-RING

2шт.

6

S037-123526

BOLT

4шт.

7

P923-065019

HYDRAULIC HOSE

ORFS 0X45

1шт.

Without Balde Safety Valve, Var. 747067

1шт.

8

P923-065025

HYDRAULIC HOSE

1шт.

9

31M8-40120CG

COVER

1шт.

Without Balde Safety Valve, Var. 747067

1шт.

10

S037-122526

BOLT

2шт.

Without Balde Safety Valve, Var. 747067

1шт.

11

S037-123026

BOLT

4шт.

Выбрано товаров: 0