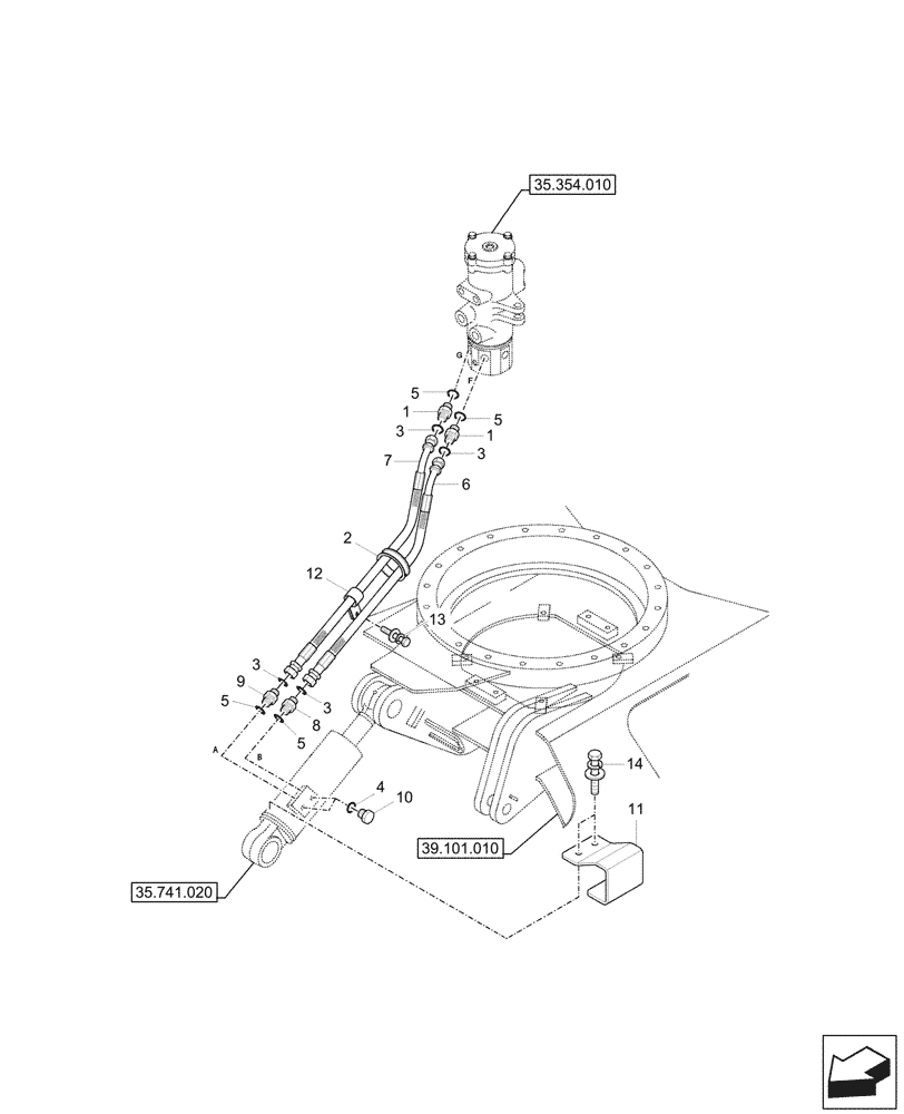
Запчасти Case CX60C (35.353.060) - DOZER, SAFETY VALVE, LINES (35) - HYDRAULIC SYSTEMS

Схема запчастей Case CX60C - (35.353.060) - DOZER, SAFETY VALVE, LINES (35) - HYDRAULIC SYSTEMS
39.101.010
7
13
6
11
1
2
4
5
14
3
5
9
5
3
1
8
10
3
12
5
3
35.354.010
35.741.020
FIT
1:1
100%

Артикул

Название

Примечание

Количество

1

X500-110002

HYD CONNECTOR,PF 3/8 x 11/16 - 16 UNF

ORFS

2шт.

2

S760-070806

GROMMET

1шт.

3

S621-012001

O-RING

4шт.

4

S631-011004

O-RING,PF 1/4

2шт.

Blade Safety Valve, Var. 747066

1шт.

5

S631-014004

O-RING

4шт.

Blade Safety Valve, Var. 747066

1шт.

6

P923-065023

HYDRAULIC HOSE

ORFS 0X45

1шт.

Blade Safety Valve, Var. 747066

1шт.

7

P923-065025

HYDRAULIC HOSE

ORFS 0X45

1шт.

8

X520-110002

ELBOW,PF 3/8 x 11/16 - 16 UNF

90, ORFS

1шт.

Blade Safety Valve, Var. 747066

1шт.

9

31N1-40130

90 ELBOW

90, Long, ORFS

1шт.

Blade Safety Valve, Var. 747066

1шт.

10

P220-110102

PLUG

2шт.

Blade Safety Valve, Var. 747066

1шт.

11

31M9-40130CG

COVER

1шт.

Blade Safety Valve, Var. 747066

1шт.

12

31HA-10160

CLAMP

1шт.

Blade Safety Valve, Var. 747066

1шт.

13

S037-102026

BOLT,M10 x 1.5 x 20mm

1шт.

Blade Safety Valve, Var. 747066

1шт.

14

S037-122526

BOLT

4шт.

Blade Safety Valve, Var. 747066

1шт.

Выбрано товаров: 24