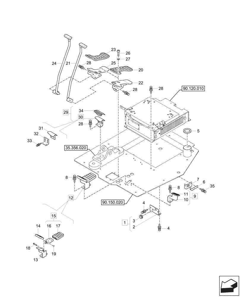
Запчасти Case CX60C (35.356.010) - PEDAL, CONTROL (35) - HYDRAULIC SYSTEMS

Схема запчастей Case CX60C - (35.356.010) - PEDAL, CONTROL (35) - HYDRAULIC SYSTEMS
90.120.010
17
5
22
8
11
16
28
24
12
34
35
18
4
13
29
9
28
30
27
14
1
8
31
33
6
20
26
2
15
19
7
3
25
10
28
23
21
4
32
28
35.356.020
90.150.020
FIT
1:1
100%

Артикул

Название

Примечание

Количество

1

71M9-10771CG

COVER

ASSY, Incl 2, 3

1шт.

2

71M9-10712CG

COVER

1шт.

3

S681-230400

GROMMET

2шт.

4

S035-061526

BOLT

4шт.

5

71M9-23351

FILTER

1шт.

6

71M9-10731

PLATE

Upper

1шт.

7

71M9-10721

PLATE

Lower

1шт.

8

S035-082026

BOLT,M8 x 1.25 x 20mm

4шт.

9

71M9-10621CG

FOOTREST

LH, ASSY, Incl 10, 11

1шт.

10

71M9-10581CG

FOOTREST

LH

1шт.

11

FAC0600400

COVER

1шт.

12

71M9-23471CG

PEDAL

LH, ASSY, Incl 13 - 15, 18, 19

1шт.

13

71M9-23491CG

PEDAL

LH

1шт.

14

71M9-23590

PEDAL

Rubber, LH

1шт.

15

71M9-23611CG

PEDAL

LH, Lower, ASSY, Incl 16, 17

1шт.

16

71M9-23511CG

PEDAL

LH, Lower

1шт.

17

NSS

NOT SOLD SEPARAT

Rubber Pedal, LH, Incl in 15

1шт.

18

73M8-10450

SHAFT

1шт.

19

P560-060002

RING

E Type

1шт.

20

71M9-23150

RUBBER SEAL

Rubber, LH

1шт.

21

71M9-25551CG

LEVER

Travel, LH

1шт.

22

71M9-22872CG

PEDAL

LH

1шт.

23

71M9-23160

RUBBER SEAL

Rubber, RH

1шт.

24

71M9-25561CG

LEVER

Travel, RH

1шт.

25

71M9-22902CG

PEDAL

RH

1шт.

26

S109-100206

BOLT

4шт.

27

S403-10200B

WASHER

4шт.

28

S037-102526

BOLT,M10 x 1.5 x 25mm

10шт.

29

71M9-25540CG

FOOTREST

RH, ASSY, Incl 30 - 34

1шт.

30

71M9-25511CG

FOOTREST

RH

1шт.

31

71M9-25521CG

PLATE

1шт.

32

71M9-22722CG

BRACKET

1шт.

33

S035-082526

BOLT,M8 x 1.25 x 25mm

2шт.

34

71M9-23140

RUBBER SEAL

RH

1шт.

35

S035-062026

BOLT

2шт.

Выбрано товаров: 35